IC nguồn điều khiển L6390D là gì?
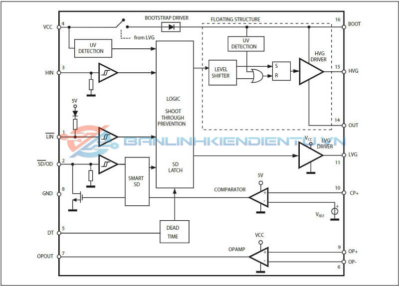
L6390D là thiết bị điện áp cao được sản xuất với công nghệ BCD “OFF-LINE”. Nó là trình điều khiển cổng nửa cầu nguyên khối dành cho MOSFET công suất kênh N hoặc IGBT. Phần phía cao (nổi) được thiết kế để chịu được điện áp lên đến 600 V. Đầu vào logic tương thích với CMOS/TTL xuống đến 3,3 V để dễ dàng giao tiếp với bộ vi điều khiển/DSP.
IC nhúng bộ khuếch đại hoạt động phù hợp với cảm biến dòng điện tiên tiến trong các ứng dụng như điều khiển động cơ định hướng trường. Một bộ so sánh tích hợp có sẵn để bảo vệ chống quá dòng, quá nhiệt, v.v.

Thông số kỹ thuật của IC nguồn L6390D

Sơ đồ chân của IC nguồn L6390D


Sơ đồ cấu tạo của IC nguồn L6390D


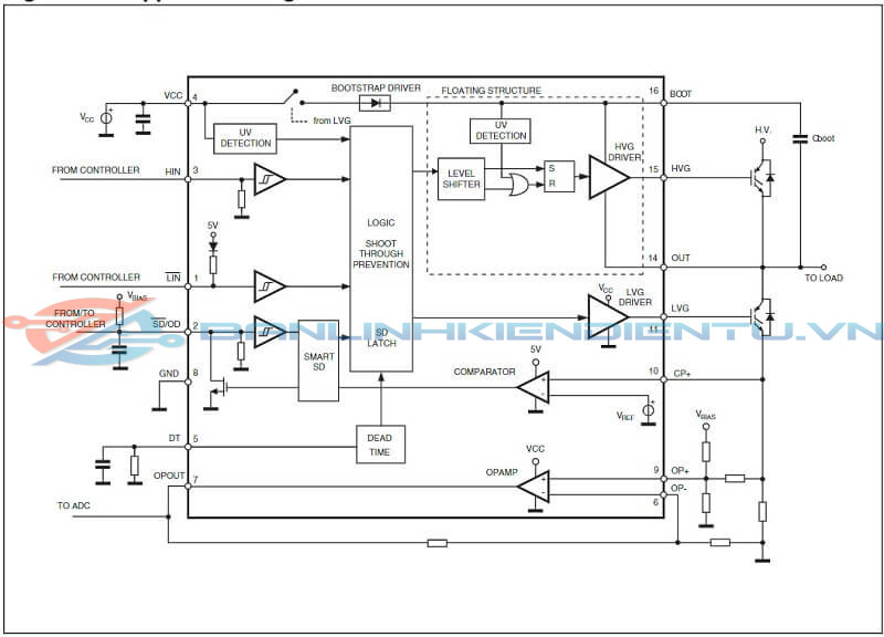
Mạch ứng dụng của IC nguồn L6390D

Kích thước của IC nguồn L6390D

Ứng dụng của IC nguồn L6390D
- Trình điều khiển động cơ cho thiết bị gia dụng
- Tự động hóa nhà máy
- Truyền động công nghiệp
- Chấn lưu HID, bộ cấp nguồn.
Xem thêm: Nhiều sản phẩm IC nguồn khác tại đây






Đánh giá
Chưa có đánh giá nào.