1. Giới thiệu
TC7SH08F là IC logic thuộc dòng Single Gate CMOS do Toshiba sản xuất, được đóng gói nhỏ gọn chuẩn SOT-23-5. Bên trong IC tích hợp một cổng logic AND 2 ngõ vào với đầu ra chuẩn CMOS, tiêu thụ công suất thấp và tốc độ xử lý cao. Trên linh kiện thường có ký hiệu in laser H2, giúp nhận diện model TC7SH08F trong thực tế.

2. Đặc điểm nổi bật
-
Tích hợp 1 cổng AND 2 đầu vào.
-
Đóng gói nhỏ gọn SOT-23-5, phù hợp thiết kế mạch tiết kiệm không gian.
-
Điện áp hoạt động rộng 2V – 5.5V.
-
Tốc độ chuyển mạch nhanh, t_pd ~ 3.8 ns @ Vcc = 5V.
-
Độ tiêu thụ dòng tĩnh rất thấp (Icc ≤ 1 µA).
-
Đầu ra tương thích TTL và CMOS, dễ dàng ghép nối.
-
Có ký hiệu nhận diện trên vỏ: H2.

3. Thông số kỹ thuật

4. Ứng dụng
-
Thiết kế mạch logic trong các thiết bị điện tử nhỏ gọn.
-
Bộ ghép logic trong vi điều khiển, FPGA, vi xử lý.
-
Các mạch yêu cầu logic tốc độ cao, tiêu thụ thấp.
-
Ứng dụng trong điện thoại, thiết bị di động, máy tính và công nghiệp.
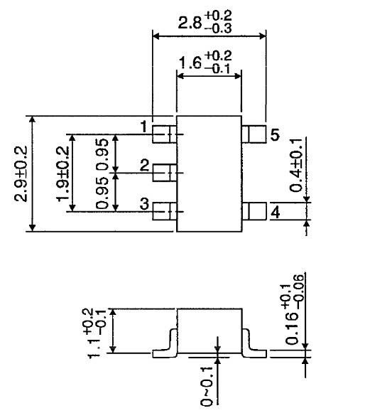
5. Kích thước

Xem thêm những sản phẩm IC khác tại đây


Đánh giá
Chưa có đánh giá nào.