Mô tả
- Chỉ định loại: 2SK1460
- Loại Transistor: MOSFET
- Loại kênh điều khiển: N -Channel
- Tản điện tối đa (Pd): 40 W
- Điện áp nguồn xả tối đa |Vds|: 900 V
- Điện áp nguồn cổng tối đa |Vgs|: 30 V
- Dòng xả tối đa |Id|: 3,5 A
- Nhiệt độ tiếp giáp tối đa (Tj): 150 °C
- Thời gian tăng (tr): 35 nS
- Điện dung nguồn thoát nước (Cd): 300 pF
- Điện trở trạng thái nguồn xả tối đa (Rds): 3,6 Ohm
Xem thêm: Các sản phẩm Mosfet khác
Hình ảnh sản phẩm

Thông số kỹ thuật của Mosfet 2SK1460

Sơ đồ chân

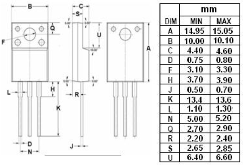
Kích thước của Mosfet 2SK1460



Đánh giá
Chưa có đánh giá nào.