Giới thiệu về M54562FP
M54562FP là một IC điều khiển LED (LED Driver IC) và motor driver được thiết kế chủ yếu để điều khiển các thiết bị như LED và động cơ DC trong các ứng dụng tiêu dùng và công nghiệp. IC này thường được sử dụng trong các thiết bị điện tử nhỏ gọn và yêu cầu điều khiển nhiều kênh với độ ổn định cao.
Đặc điểm M54562FP
- Điều khiển đa kênh: IC này có thể điều khiển nhiều LED hoặc động cơ đồng thời, giúp tiết kiệm diện tích và đơn giản hóa thiết kế mạch.
- Điều khiển dòng chính xác: Với khả năng điều khiển dòng chính xác, M54562FP đảm bảo độ sáng đồng đều cho các LED và hiệu suất ổn định cho động cơ.
- Bảo vệ quá dòng và quá áp: IC có tích hợp các tính năng bảo vệ quan trọng như bảo vệ quá dòng và quá áp, bảo vệ quá nhiệt giúp bảo vệ thiết bị khỏi hư hỏng.
- Điều khiển PWM (Pulse Width Modulation): Giúp tiết kiệm năng lượng và giảm nhiệt lượng khi điều khiển LED hoặc motor.
Thông số kỹ thuật M54562FP
- Điện áp hoạt động (Operating Voltage): Điện áp cung cấp dao động từ khoảng 10V đến 35V, thích hợp cho các ứng dụng cần điều khiển điện áp trung bình đến cao.
- Dòng đầu ra (Output Current): Mỗi kênh có khả năng cung cấp dòng lên đến khoảng 150mA, tùy thuộc vào điện áp và yêu cầu của tải.
- Số kênh điều khiển: IC này hỗ trợ điều khiển đa kênh, thường là 8 kênh, cho phép điều khiển nhiều LED hoặc motor đồng thời.
- Chế độ điều khiển: Có khả năng điều khiển theo dạng xung PWM hoặc điều khiển dòng liên tục, giúp tăng hiệu quả sử dụng điện.

Ứng dụng M54562FP
- Điều khiển LED đa kênh: Thường dùng trong các ứng dụng điều khiển LED bảng quảng cáo, đèn trang trí, đèn báo hiệu, và các hệ thống đèn LED yêu cầu nhiều kênh.
- Điều khiển động cơ DC nhỏ: Được sử dụng trong các ứng dụng điều khiển động cơ DC nhỏ cho các thiết bị gia dụng hoặc thiết bị công nghiệp nhỏ.
- Thiết bị hiển thị: Ứng dụng trong các bảng hiển thị kỹ thuật số, máy ATM, bảng điều khiển để điều khiển nhiều đèn báo hiệu cùng lúc.
- Hệ thống tự động hóa: Sử dụng trong các hệ thống tự động hóa đòi hỏi điều khiển chính xác của nhiều thiết bị đầu ra.
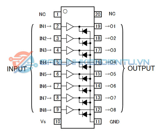
Sơ đồ chân M54562FP

Sơ đồ tương đương M54562FP

Kích thước M54562FP

Xem thêm: Nhiều sản phẩm IC nguồn khác tại đây




Đánh giá
Chưa có đánh giá nào.