1. Giới thiệu
MIG300J2CSB1W là module IGBT công suất cao với điện áp chịu đựng 600V và dòng định mức 300A. Đây là module dạng dual half-bridge hoặc IGBT 2 tầng được thiết kế cho các ứng dụng công nghiệp công suất lớn như biến tần, bộ nguồn UPS, và truyền động động cơ công suất cao. Phiên bản tháo máy là module đã qua sử dụng, tháo ra từ thiết bị cũ và có thể tái sử dụng nếu còn trong tình trạng tốt.

2. Đặc điểm nổi bật
-
Điện áp chịu đựng 600V, phù hợp cho các hệ thống điện áp trung bình thấp.
-
Dòng định mức cao lên đến 300A, đáp ứng các tải công suất lớn.
-
Công nghệ IGBT hiện đại giúp giảm tổn hao dẫn và tổn hao chuyển mạch.
-
Tích hợp diode hồi tiếp tốc độ cao để tối ưu hiệu suất chuyển mạch.
-
Thiết kế module dạng dual half-bridge, dễ dàng tích hợp trong các mạch inverter.
-
Khả năng cách điện cao, độ bền nhiệt và cơ học tốt, phù hợp sử dụng trong môi trường công nghiệp.
3. Thông số kỹ thuật
-
Mã sản phẩm: MIG300J2CSB1W
-
Loại linh kiện: IGBT Module (Dual Half-Bridge)
-
Điện áp cực đại (Vces): 600V
-
Dòng điện định mức (Ic): 300A
-
Dòng điện xung cực đại (Icp): khoảng 600A
-
Điện áp bão hòa (Vce(sat)): khoảng 1.7 – 2.0V (tùy dòng và nhiệt độ)
-
Điện áp điều khiển cổng (Vge): ±20V
-
Nhiệt độ mối nối tối đa (Tj): 150°C
-
Điện áp cách ly (Viso): 2500 Vrms (1 phút)
-
Điện trở nhiệt IGBT – tản nhiệt (Rth(j-c)): khoảng 0.10°C/W
-
Kích thước module: thường khoảng 70mm × 100mm × 30mm (tuỳ model cụ thể)
-
Trọng lượng: khoảng 200 – 250g

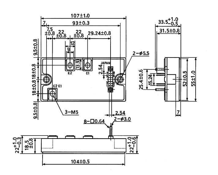
4. Kích thước

5. Ứng dụng
-
Biến tần công nghiệp điều khiển động cơ AC công suất lớn.
-
Bộ nguồn UPS công nghiệp và hệ thống lưu trữ năng lượng.
-
Thiết bị hàn công nghiệp, máy CNC và máy gia công cơ khí.
-
Hệ thống điều khiển động cơ servo và truyền động công nghiệp.
-
Các ứng dụng truyền động và bộ kích từ công suất cao.
Xem thêm :Nhiều sản phẩm IGBT khác tại đây


Đánh giá
Chưa có đánh giá nào.