Giới thiệu về NE529N
NE529N là bộ so sánh điện áp tương tự tốc độ cao, lần đầu tiên kết hợp công nghệ diode Schottky tiên tiến với quy trình tuyến tính thông thường. Điều này cho phép chế tạo đồng thời các cổng TTL tốc độ cao với bộ khuếch đại tuyến tính chính xác trên một chip đơn khối.

Đặc điểm NE529N
- Thời gian đáp ứng nhanh:
NE529N là một bộ so sánh tốc độ cao, với thời gian chuyển mạch rất nhanh, thường trong phạm vi nano giây. Điều này giúp nó đáp ứng tốt với các tín hiệu biến đổi nhanh. - Dải điện áp hoạt động rộng:
Có thể hoạt động trong nhiều dải điện áp cung cấp, phù hợp với các hệ thống điện áp thấp hoặc cao. - Độ nhạy cao:
Có khả năng phát hiện các thay đổi nhỏ trong điện áp đầu vào, giúp tăng độ chính xác trong các ứng dụng yêu cầu độ nhạy cao. - Khả năng đệm đầu ra mạnh:
Có thể điều khiển các tải đầu ra lớn mà không cần thêm tầng khuếch đại. - Kiến trúc linh hoạt:
Được thiết kế để hoạt động ổn định ở cả chế độ so sánh và chuyển đổi tần số.
Thông số kỹ thuật NE529N
- Điện áp cung cấp (Vcc): Thường hoạt động ở dải ±6V đến ±15V.
- Thời gian trễ: Thường < 40 ns (nanosecond), tùy thuộc vào điều kiện hoạt động.
- Dải điện áp đầu vào: Có thể hoạt động trong phạm vi rộng, gần biên của nguồn cung cấp.
- Dòng tiêu thụ: Tương đối thấp, giúp tiết kiệm năng lượng.
- Tính năng bảo vệ: Chống quá tải nhiệt hoặc điện áp đầu vào không mong muốn.

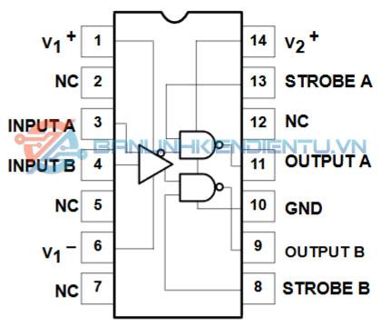
Sơ đồ chân NE529N


Ứng dụng NE529N
- Mạch so sánh tốc độ cao:
Sử dụng trong các hệ thống yêu cầu so sánh tín hiệu nhanh, chẳng hạn như đo lường và điều khiển. - Chuyển đổi tín hiệu analog sang tín hiệu số (ADC):
Được tích hợp trong các thiết kế ADC để phân tích tín hiệu nhanh và chính xác. - Hệ thống điều khiển thời gian thực:
Được sử dụng trong các hệ thống điều khiển tự động và robot cần phản hồi nhanh. - Bộ tạo xung:
Tạo các tín hiệu xung vuông chính xác cho các mạch dao động hoặc mạch đồng bộ. - Thiết bị viễn thông và đo lường:
Được dùng trong các thiết bị truyền dẫn và hệ thống phân tích tín hiệu cao cấp.
Sơ đồ tương đương NE529N

Kích thước NE529N

Xem thêm những sản phẩm IC khác tại đây


Đánh giá
Chưa có đánh giá nào.