1. Giới thiệu
Module PRHMB100A6A là loại IGBT công suất (Insulated Gate Bipolar Transistor) được thiết kế cho các ứng dụng điều khiển và chuyển mạch điện áp trung bình – cao. Thiết bị có khả năng dẫn dòng lớn lên đến 100A và điện áp chịu đựng tối đa 600V, thích hợp cho các hệ thống công nghiệp yêu cầu hiệu suất cao và hoạt động ổn định. PRHMB100A6A được sử dụng phổ biến trong biến tần, điều khiển động cơ, bộ nguồn xung và thiết bị tự động hóa công nghiệp.

2. Đặc điểm
-
Là module IGBT tích hợp, kết hợp giữa đặc tính đóng cắt nhanh của MOSFET và khả năng chịu dòng cao của transistor lưỡng cực.
-
Dòng làm việc lớn (100A), hoạt động ổn định trong các mạch công suất trung bình và cao.
-
Điện áp chịu đựng 600V, phù hợp cho các hệ thống nguồn trung áp.
-
Cấu trúc cách điện giữa mạch công suất và đế module, giúp gắn trực tiếp lên tản nhiệt an toàn.
-
Tổn hao thấp, hiệu suất chuyển mạch cao, giảm sinh nhiệt và tiết kiệm năng lượng.
-
Thiết kế module chắc chắn, dễ lắp đặt và bảo trì.
3. Thông số kỹ thuật
-
Mã linh kiện: PRHMB100A6A
-
Loại linh kiện: Module IGBT công suất
-
Dòng điện định mức: 100A
-
Điện áp chịu đựng cực đại: 600V
-
Điện áp điều khiển (Vge): ±20V
-
Điện áp bão hòa khi dẫn (Vce(sat)): khoảng 2.0 – 2.5V
-
Nhiệt độ hoạt động: -40°C đến 150°C
-
Kiểu cách điện: Có (Insulated type)
-
Kiểu đóng gói: Module công suất, gắn tản nhiệt
-
Tình trạng: Tháo máy

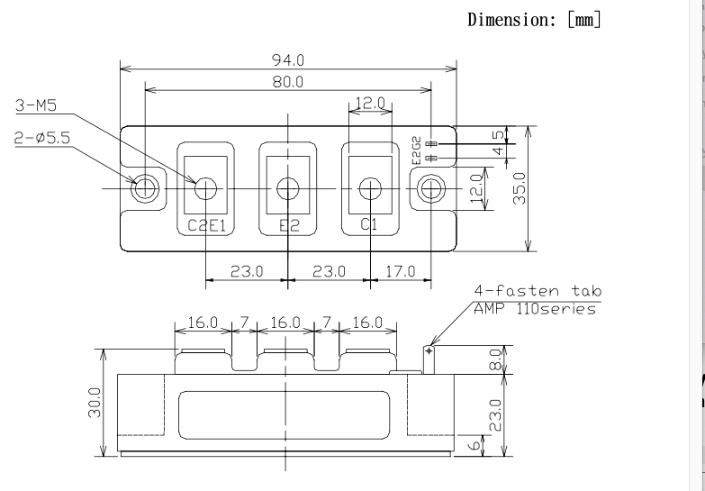
4. Kích thước

4. Ứng dụng
-
Biến tần công nghiệp: điều khiển tốc độ động cơ xoay chiều.
-
Bộ nguồn xung (SMPS): chuyển đổi và điều khiển điện áp trong các hệ thống nguồn.
-
UPS và Servo Drive: đảm bảo nguồn điện ổn định, phản ứng nhanh.
-
Thiết bị hàn điện tử: điều khiển đóng cắt công suất chính xác, chịu tải cao.
-
Hệ thống năng lượng mặt trời và điện gió: dùng trong mạch inverter DC/AC.
Xem thêm các mã IGBT khác tại đây

Đánh giá
Chưa có đánh giá nào.