Giới thiệu về IC TD62004AF
TD62004AF là trình điều khiển darlington điện áp cao, dòng điện cao bao gồm bảy cặp darlington NPN. Tất cả các đơn vị đều có diode kẹp tích hợp để chuyển mạch tải cảm ứng. Các ứng dụng bao gồm trình điều khiển rơle, búa, đèn và màn hình (LED).

Đặc trưng kỹ thuật
- Dòng điện đầu ra (đầu ra đơn): 500 mA (tối đa)
- Điện áp đầu ra duy trì cao: 50 V (tối thiểu)
- Điốt kẹp đầu ra
- Đầu vào tương thích với nhiều loại logic khác nhau
- Kiểu gói
– APG: chân DIP-16 (gói không chứa chì)
– AFG: chân SOP-16 (gói không chứa chì)
Thông số kỹ thuật

Sơ đồ chân

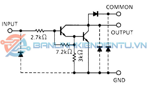
Sơ đồ tương đương

Kích thước IC TD62004AF

Xem thêm: Nhiều sản phẩm IC chuyên dụng khác
Datasheet TD62004AF
</p



Đánh giá
Chưa có đánh giá nào.