Mô tả IC HA16666FP
HA16666FP là IC điều khiển chế độ điện áp (điều chế độ rộng xung) cho bộ điều chỉnh chuyển mạch điều khiển. Nó có thể điều khiển MOS FET công suất hiệu quả ở tần số 600 kHz. Dòng điện ổn định của nó là 0,3 mA (tối đa) và được sử dụng làm nguồn điện điều khiển chính.
Mạch điện áp tham chiếu +5 V
Dao động dạng sóng tam giác
bộ so sánh xung pwm
Mạch đầu ra (Đầu ra cực Totem)
Mạch bảo vệ quá dòng (với chế độ một xung)
Mạch bảo vệ khóa điện áp thấp
Chức năng khởi động mềm và tắt máy nhanh
Chức năng điều khiển từ xa
Bộ so sánh có điện áp tham chiếu 1,3 V bên trong
Chuyển mạch tốc độ cao: tr = 80 ns (biên độ 15 V) tf = 40 ns (biên độ 15 V)
Tiêu hao điện năng thấp: Tối đa 0,3 mA ở trạng thái chờ Tối đa 12 mA ở trạng thái hoạt động (VIN = 15 V)
Mạch thiết lập nhiệm vụ dải chết có độ dốc kép có độ chính xác cao; Độ chính xác thiết lập Du = ±3% (tối đa)
Phạm vi điều khiển độ rộng xung đầu ra rộng: 0 đến 75%
Xem thêm: Các sản phẩm IC chuyên dụng khác
Sơ đồ chân IC HA16666FP

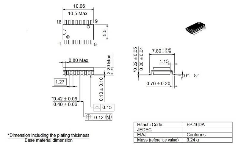
Kích thước IC HA16666FP

Bảng thông số IC HA16666FP

Hình ảnh IC HA16666FP



Đánh giá
Chưa có đánh giá nào.