1. Giới thiệu
Module công suất IGBT 28ANB16V1 là linh kiện điện tử công suất cao, được sử dụng trong các bộ biến tần, nghịch lưu và hệ thống truyền động công nghiệp. Module được thiết kế chắc chắn, đảm bảo hiệu suất ổn định, độ tin cậy cao và khả năng hoạt động trong môi trường khắc nghiệt. Sản phẩm là hàng tháo máy, thích hợp cho việc thay thế, sửa chữa hoặc nghiên cứu kỹ thuật.

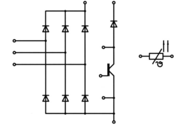
2. Đặc điểm
-
Cấu trúc module dạng MiniSKiiP, tích hợp transistor IGBT và diode hồi tiếp trong cùng khối.
-
Dòng điện định mức 83A, điện áp cực đại 1600V, phù hợp cho các ứng dụng tải nặng.
-
Thiết kế chân kết nối dạng lò xo hoặc bắt vít, giúp lắp đặt nhanh và an toàn.
-
Hiệu suất cao, tổn hao thấp, độ tin cậy lớn.
-
Đế tản nhiệt tối ưu giúp giảm nhiệt độ làm việc và kéo dài tuổi thọ linh kiện.

3. Thông số kỹ thuật

4. Ứng dụng
-
Biến tần và bộ điều khiển động cơ công nghiệp.
-
Bộ nghịch lưu, nguồn công suất và hệ thống servo.
-
Thiết bị năng lượng tái tạo, inverter năng lượng mặt trời hoặc gió.
-
Máy CNC, robot công nghiệp và hệ thống tự động hóa.
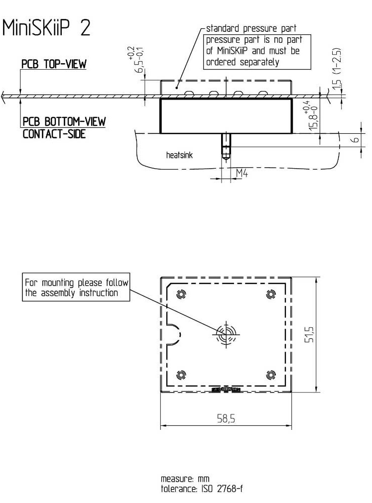
5. Kích thước

Xem thêm :Nhiều sản phẩm IGBT khác tại đây


Đánh giá
Chưa có đánh giá nào.