Giới thiệu về NT2955G
NT2955G là một transistor hiệu ứng trường (FET) của hãng NEC, thuộc loại N-channel MOSFET. Đây là một thiết bị bán dẫn được thiết kế cho các ứng dụng khuếch đại và công suất. NT2955G là lựa chọn phổ biến trong các ứng dụng yêu cầu hiệu suất và khả năng xử lý công suất đáng tin cậy.

Đặc trưng kỹ thuật
- Điện Áp Cống (Vds): Tối đa khoảng 55V, cho phép transistor hoạt động trong nhiều điều kiện điện áp khác nhau.
- Dòng Cống (Id): Có thể chịu được dòng điện lên tới khoảng 10A, làm cho nó phù hợp với các ứng dụng công suất cao.
- Điện Áp Cổng-Cống (Vgs): Thường yêu cầu điện áp cổng để bật transistor ở mức thấp, giúp nó hoạt động hiệu quả với điều khiển điện áp thấp.
- Tần Số Hoạt Động: Thích hợp cho các ứng dụng tần số thấp đến trung bình.
- Khả Năng Khuếch Đại Cao: Cung cấp hiệu suất khuếch đại tốt cho các tín hiệu và mạch công suất.
- Chống Nhiễu Tốt: Thiết kế giúp giảm thiểu nhiễu và biến dạng tín hiệu.
- Dễ Điều Khiển: MOSFET có khả năng điều khiển đơn giản với điện áp cổng thấp.
Thông số kỹ thuật

Sơ đồ chân

Ứng dụng
- Khuếch Đại Công Suất: Thích hợp cho các mạch khuếch đại công suất và điều khiển động cơ.
- Mạch Điều Khiển: Sử dụng trong các mạch điều khiển điện tử yêu cầu hiệu suất cao và độ tin cậy.
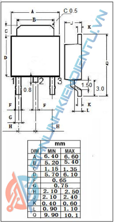
Kích thước NT2955G

Xem thêm: Các mã Mosfet khác



Đánh giá
Chưa có đánh giá nào.