1. Giới thiệu
Module IGBT 2MBI100NC-120 là linh kiện công suất cao thuộc dòng N-Series. Module này tích hợp hai IGBT trong cùng một khối (cấu hình half-bridge 2-in-1), giúp tiết kiệm không gian và tăng hiệu quả tản nhiệt. Với điện áp định mức 1200V và dòng định mức 100A, module được sử dụng rộng rãi trong các hệ thống công nghiệp yêu cầu điều khiển công suất và chuyển mạch nhanh. Phiên bản “tháo máy” thường đến từ thiết bị công nghiệp cũ, nhưng vẫn đảm bảo chất lượng gốc của nhà sản xuất.

2. Đặc điểm
Module sử dụng công nghệ IGBT hiệu suất cao, cho phép hoạt động ổn định ở điện áp và dòng lớn. Thiết kế nội bộ tối ưu giúp giảm cảm kháng nội (low stray inductance), tăng khả năng chuyển mạch nhanh và giảm tổn thất năng lượng. Cấu trúc có diode hồi tiếp tích hợp giúp tiết kiệm không gian mạch và nâng cao độ tin cậy. Module có khả năng chịu nhiệt cao, hoạt động ổn định ở môi trường công nghiệp nặng và có đặc tính RBSOA (Reverse Bias Safe Operating Area) rộng, giúp tăng độ bền trong quá trình chuyển mạch.
3. Thông số kỹ thuật
-
Điện áp định mức (V_CES): 1200V
-
Dòng điện định mức (I_C): 100A
-
Dòng điện cực đại (I_C pulse): 200A
-
Điện áp cách điện (V_isolation): 2500Vrms trong 1 phút
-
Điện áp điều khiển cổng (V_GES): ±20V
-
Nhiệt độ hoạt động (T_j): -40°C đến +150°C
-
Công suất tản nhiệt tối đa (P_C): khoảng 780W
-
Cấu trúc module: 2-Pack (2 IGBT + 2 Diode hồi tiếp)
-
Điện trở nhiệt nối (R_thJC): 0.35°C/W
-
Kích thước: 100 x 60 x 30mm (xấp xỉ)
-
Trọng lượng: khoảng 180g

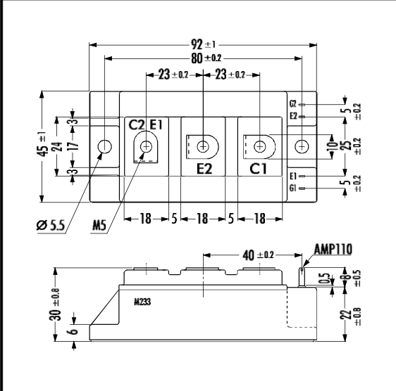
4. Kích thước

5. Ứng dụng
Module 2MBI100NC-120 được sử dụng phổ biến trong các hệ thống công nghiệp yêu cầu điều khiển công suất lớn và chuyển mạch hiệu quả. Một số ứng dụng tiêu biểu gồm:
-
Biến tần (Inverter): Điều khiển tốc độ và mô-men xoắn của động cơ AC.
-
Hệ thống UPS: Cung cấp nguồn điện dự phòng ổn định cho thiết bị quan trọng.
-
Máy CNC và robot công nghiệp: Điều khiển servo motor với độ chính xác cao.
-
Máy hàn và thiết bị công suất lớn: Cần dòng xung lớn và khả năng chịu tải cao.
-
Hệ thống năng lượng tái tạo: Dùng trong bộ nghịch lưu của điện mặt trời và điện gió.
Xem thêm :Nhiều sản phẩm IGBT khác tại đây

Đánh giá
Chưa có đánh giá nào.