Giới thiệu 2MBI150NR-060A-01
2MBI150NR-060-01 là một mô-đun IGBT (Insulated Gate Bipolar Transistor) do Fuji Electric sản xuất. Đây là một linh kiện công suất cao được thiết kế cho các ứng dụng yêu cầu điều khiển dòng điện lớn và điện áp cao

Sơ đồ cấu tạo mạch

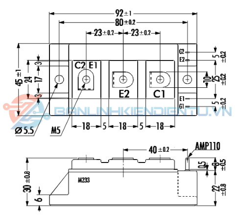
Kích thước 2MBI150NR-060A-01
Thông số kỹ thuật chi tiết
- Loại linh kiện: IGBT Module
- Dòng điện cực đại (Collector Current – Ic):
- Dòng định mức: 150A
- Dòng đỉnh: Có thể chịu đựng dòng đỉnh cao hơn trong thời gian ngắn, tùy thuộc vào điều kiện hoạt động và thiết kế hệ thống.
- Điện áp cực đại (Collector-Emitter Voltage – Vce):
- Điện áp định mức: 600V
- Điện áp chịu đựng: Đây là mức điện áp tối đa mà mô-đun IGBT có thể chịu đựng giữa chân Collector và Emitter mà không bị phá hủy.
- Điện áp bảo hòa (Collector-Emitter Saturation Voltage – Vce(sat)):
- Mức điện áp: Khoảng 2.0V đến 3.0V, tùy thuộc vào điều kiện hoạt động và dòng điện.
- Ý nghĩa: Điện áp bảo hòa thấp giúp giảm tổn thất công suất trong chế độ bật của IGBT, cải thiện hiệu suất tổng thể của hệ thống.
- Điện áp cổng-gốc (Gate-Emitter Voltage – Vge):
- Điện áp điều khiển: Thường là từ 15V đến 20V để đảm bảo IGBT hoạt động hiệu quả.
- Điện áp đỉnh: 20V (tối đa).
- Điện áp ngưỡng (Vge(th)): Khoảng 4V đến 6V, là mức điện áp cần thiết để kích hoạt IGBT từ trạng thái tắt sang bật.
- Công suất tổn hao (Power Dissipation – Pd):
- Công suất tổn hao: Khoảng 300W đến 400W, tùy thuộc vào điều kiện làm mát và nhiệt độ môi trường. Hệ thống tản nhiệt hiệu quả là cần thiết để duy trì hoạt động ổn định.
- Nhiệt độ hoạt động (Operating Temperature):
- Khoảng nhiệt độ: -40°C đến +150°C.
- Nhiệt độ mối nối tối đa: 150°C, cần duy trì trong giới hạn này để tránh hư hỏng linh kiện.
-
Thông số kỹ thuật chi tiết
Nguyên lý hoạt động
- Khi IGBT tắt (Off State):
- Điện áp cổng thấp: Khi điện áp giữa chân Gate và Emitter thấp hơn điện áp ngưỡng, IGBT ở trạng thái tắt.
- Dòng điện không chảy qua Collector và Emitter: Lớp P-N giữa Collector và Emitter bị phân cực ngược, ngăn cản dòng điện chảy qua.
- Khi IGBT bật (On State):
- Điện áp cổng cao: Khi điện áp giữa chân Gate và Emitter vượt qua điện áp ngưỡng, IGBT chuyển sang trạng thái bật.
- Dòng điện chảy qua Collector và Emitter: Điện áp cổng kích thích sự hình thành của kênh dẫn giữa Collector và Emitter, cho phép dòng điện chảy qua với điện áp bảo hòa thấp.
Chức năng và ứng dụng
- Khả năng chuyển mạch nhanh: 2MBI150NR-060-01 có khả năng chuyển đổi nhanh giữa trạng thái bật và tắt, làm cho nó phù hợp với các ứng dụng yêu cầu tốc độ chuyển mạch cao như trong biến tần và điều khiển động cơ.
- Tổn thất công suất thấp: Với điện áp bảo hòa thấp, mô-đun này giúp giảm tổn thất năng lượng và cải thiện hiệu suất hệ thống.
- Điều khiển điện áp trung bình: Được thiết kế để xử lý điện áp lên đến 600V, phù hợp với các ứng dụng yêu cầu điện áp vừa phải.
Ứng dụng phổ biến:
- Biến tần (Inverters): Chuyển đổi điện năng từ DC sang AC trong các hệ thống công suất lớn, bao gồm biến tần cho động cơ công suất cao và hệ thống năng lượng mặt trời.
- Bộ điều khiển động cơ (Motor Drives): Điều khiển tốc độ và mô-men xoắn của động cơ trong các ứng dụng công nghiệp.
- Nguồn xung (Switch Mode Power Supplies): Cung cấp điện cho các thiết bị công suất cao với hiệu suất cao và tổn thất năng lượng thấp.
- Hệ thống năng lượng tái tạo: Ứng dụng trong các hệ thống năng lượng mặt trời, gió hoặc các hệ thống năng lượng khác yêu cầu xử lý điện áp vừa phải.
Xem thêm : Nhiều sản phẩm IGBT khác tại đây





Đánh giá
Chưa có đánh giá nào.