1. Giới thiệu
Module IGBT 2MBI200N-120 là linh kiện công suất cao được thiết kế với cấu trúc hai IGBT tích hợp trong cùng một khối (cấu hình 2-Pack, half-bridge). Với điện áp chịu đựng 1200V và dòng định mức 200A, module này thích hợp cho các ứng dụng công nghiệp yêu cầu điều khiển công suất lớn và chuyển mạch nhanh. Phiên bản tháo máy thường được lấy từ thiết bị công nghiệp đã qua sử dụng, vẫn đảm bảo chất lượng linh kiện gốc nếu được kiểm tra và bảo quản đúng cách.

2. Đặc điểm
Module có khả năng hoạt động ổn định ở tần số chuyển mạch cao, giúp giảm tổn thất năng lượng và nâng cao hiệu suất hệ thống. Cấu trúc điện bên trong được tối ưu để có cảm kháng nội thấp, giúp giảm nhiễu điện từ khi hoạt động. Linh kiện có khả năng chịu nhiệt cao, phù hợp với môi trường làm việc khắc nghiệt. Diode hồi tiếp được tích hợp sẵn trong module giúp tăng tính linh hoạt và tiết kiệm không gian lắp đặt.
3. Thông số kỹ thuật
-
Điện áp định mức (V_CES): 1200V
-
Dòng điện định mức (I_C): 200A
-
Dòng điện cực đại (I_C pulse): 400A
-
Điện áp điều khiển cổng (V_GES): ±20V
-
Điện áp cách điện (V_isolation): 2500Vrms trong 1 phút
-
Nhiệt độ hoạt động (T_j): -40°C đến +150°C
-
Điện trở nhiệt nối (R_thJC): 0.125°C/W
-
Cấu trúc module: 2-Pack (Half-Bridge)
-
Diode hồi tiếp: Tích hợp sẵn
-
Công suất tản nhiệt tối đa: Khoảng 1000W
-
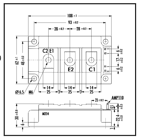
Kích thước: Khoảng 130 x 70 x 30mm
-
Trọng lượng: Khoảng 300g

4. Kích thước

5. Ứng dụng
Module 2MBI200N-120 được sử dụng trong nhiều hệ thống công nghiệp cần điều khiển và chuyển mạch công suất lớn. Các ứng dụng phổ biến gồm:
-
Biến tần điều khiển tốc độ động cơ xoay chiều.
-
Hệ thống nguồn điện liên tục (UPS).
-
Bộ điều khiển servo trong máy CNC và robot công nghiệp.
-
Thiết bị hàn và nguồn công suất cao.
-
Bộ nghịch lưu trong hệ thống năng lượng mặt trời và điện gió.
Xem thêm :Nhiều sản phẩm IGBT khác tại đây

Đánh giá
Chưa có đánh giá nào.