Giới thiệu về 2N06L64
2N06L64 là một MOSFET kênh N có khả năng chịu đựng điện áp và dòng điện vừa phải, thường được sử dụng trong các ứng dụng chuyển mạch và điều khiển công suất. 2N06L64 là một MOSFET kênh N mạnh mẽ với khả năng chịu điện áp và dòng điện vừa phải, thích hợp cho các ứng dụng chuyển mạch và điều khiển công suất. Với điện áp tối đa 55V và dòng tối đa 19A, MOSFET này là một lựa chọn lý tưởng cho các mạch điện tử yêu cầu độ tin cậy và hiệu suất cao.
Đặc trưng kỹ thuật
- Điện dung ngõ vào: 470pF
Điện dung giữa Gate và các cực khác của MOSFET, ảnh hưởng đến tốc độ chuyển mạch. - Điện dung ngõ ra: 110pF
Điện dung này ảnh hưởng đến hiệu suất của MOSFET trong các ứng dụng chuyển mạch, đặc biệt là ở tần số cao. - Điện dung hồi tiếp: 42pF
Điện dung này có thể gây ra hiện tượng hồi tiếp trong mạch, ảnh hưởng đến hiệu suất nếu không được thiết kế đúng cách. - Điện trở nhiệt Junction-to-Ambient: 62.5°C/W
Điện trở nhiệt giữa junction và môi trường, ảnh hưởng đến khả năng tản nhiệt của MOSFET. - Điện trở nhiệt Junction-to-Case: 2.5°C/W
Điện trở nhiệt này giữa junction và vỏ của MOSFET, cho thấy khả năng tản nhiệt khi MOSFET được gắn vào tản nhiệt. - Điện áp hoạt động cao: Với VDS tối đa 55V, MOSFET này phù hợp cho các ứng dụng yêu cầu điện áp cao hơn.
- Dòng điện vừa phải: Phù hợp cho các ứng dụng yêu cầu dòng trung bình mà không cần sử dụng nhiều MOSFET song song.
- RDS(on) thấp: Giúp giảm tổn hao năng lượng, tăng hiệu suất hoạt động của mạch.
Thông số kỹ thuật
- Điện áp Drain-Source tối đa: 55V
Đây là điện áp tối đa mà MOSFET có thể chịu được giữa Drain (D) và Source (S) mà không gây ra hư hỏng cho linh kiện. - Dòng Drain tối đa: 19A
Đây là dòng điện tối đa mà MOSFET có thể dẫn qua chân Drain khi hoạt động trong điều kiện tối ưu. - Điện trở Drain-Source khi bật:
- 0.064Ω @ VGS = 10V
Điện trở giữa Drain và Source khi MOSFET ở trạng thái bật, ảnh hưởng đến tổn hao công suất và hiệu suất của mạch.thông số kỹ thuật 2N06L64
- 0.064Ω @ VGS = 10V
Sơ đồ cấu tạo
Ứng dụng
- Chuyển đổi DC-DC:
MOSFET này thường được sử dụng trong các bộ chuyển đổi điện áp, nơi cần hiệu suất chuyển mạch cao và tổn hao công suất thấp. - Điều khiển động cơ:
Sử dụng trong các hệ thống điều khiển động cơ DC, nơi cần dòng khởi động lớn. - Nguồn cấp cho máy tính:
Được sử dụng trong các mạch chuyển đổi năng lượng trong nguồn cung cấp cho máy tính, đảm bảo cung cấp dòng điện ổn định. - Thiết bị điện tử tiêu dùng:
2N06L64 cũng được sử dụng trong các sản phẩm điện tử tiêu dùng yêu cầu quản lý công suất như TV, điều hòa không khí, và các thiết bị điện tử khác.
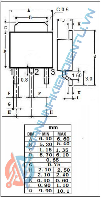
Kích thước 2N06L64
Xem thêm: Các mã Mosfet khác
Đánh giá
Chưa có đánh giá nào.