Giới thiệu về 660GH-350S
Cầu chì HINODE 660GH-350S là một loại cầu chì công suất cao, được thiết kế để bảo vệ các mạch điện và thiết bị khỏi các sự cố ngắn mạch hoặc quá dòng. Đây là một sản phẩm của HINODE, một hãng nổi tiếng trong việc sản xuất các thiết bị bảo vệ điện, đặc biệt là cầu chì và các linh kiện bảo vệ công suất cao.

Thông số kỹ thuật của cầu chì 660GH-350S
- Dòng điện định mức (Rated Current): 350A
Cầu chì này có dòng điện định mức tối đa là 350A, nghĩa là nó được thiết kế để bảo vệ các mạch có dòng điện tối đa 100A mà không gây ra sự cố. - Điện áp định mức (Rated Voltage): 660V
Cầu chì có khả năng chịu được điện áp lên đến 660V, điều này cho phép nó bảo vệ mạch điện trong các hệ thống điện có điện áp tương đối cao, như trong các ứng dụng công nghiệp và hệ thống điện công suất lớn. - Loại cầu chì: 660GH-350S
Cầu chì này thuộc dòng sản phẩm 660GH, được thiết kế đặc biệt cho các ứng dụng công suất cao và dòng điện lớn. ULTC có thể là mã hiệu của một phiên bản đặc biệt, thường liên quan đến khả năng chịu được quá dòng trong thời gian ngắn hoặc bảo vệ trong các điều kiện môi trường khắc nghiệt.
Nguyên lý hoạt động của cầu chì 660GH-350S
Cầu chì hoạt động dựa trên nguyên lý nhiệt độ và dòng điện. Khi dòng điện chạy qua cầu chì, nếu dòng điện này vượt quá mức cho phép (350A trong trường hợp này), dây kim loại bên trong cầu chì sẽ nóng lên do hiện tượng hiệu ứng Joule (nhiệt lượng sinh ra do dòng điện chạy qua vật liệu dẫn điện). Khi dòng điện quá lớn, nhiệt độ tăng lên đủ cao để làm tan chảy phần dây kim loại hoặc chất liệu cách điện bên trong, làm cầu chì bị hỏng và ngắt mạch, ngừng dòng điện đi qua, bảo vệ mạch điện khỏi bị hư hỏng do quá dòng.
Ứng dụng của Cầu chì 660GH-350S
Cầu chì HINODE 660GH-350S được sử dụng trong nhiều ứng dụng công nghiệp và điện tử yêu cầu bảo vệ mạch điện có công suất cao và điện áp cao:
- Hệ thống điện công nghiệp: Sử dụng trong các bảng điện công nghiệp, hệ thống điện phân, mạch điều khiển động cơ công suất lớn.
- Trạm biến áp và lưới điện: Dùng để bảo vệ các thiết bị điện trong các trạm biến áp, lưới điện cao thế hoặc mạch điện công suất cao.
- Máy biến áp và thiết bị điện công suất lớn: Được sử dụng trong các thiết bị như máy biến áp, bộ chuyển đổi năng lượng và các thiết bị cần bảo vệ chống ngắn mạch hoặc quá dòng.
- Tủ điện công nghiệp: Cầu chì này có thể được sử dụng trong các tủ điện phân phối điện công nghiệp để bảo vệ các thiết bị trong tủ.
Ưu điểm và Hạn chế của 660GH-350S
-
Ưu điểm:
- Chịu được dòng điện lớn (350A) và điện áp cao (660V), phù hợp với các ứng dụng công nghiệp có yêu cầu về công suất lớn.
- Kích thước hợp lý cho các ứng dụng công nghiệp tiêu chuẩn, dễ dàng lắp đặt trong các bảng điện hoặc tủ điện.
- Bảo vệ quá dòng hiệu quả, giúp bảo vệ thiết bị điện khỏi các sự cố gây hư hỏng nghiêm trọng do ngắn mạch hoặc quá tải.
- Độ bền cao và khả năng chống lại sự mài mòn trong các môi trường làm việc khắc nghiệt.
-
Hạn chế:
- Cầu chì này chỉ có thể hoạt động một lần, nghĩa là khi bị đứt do quá dòng, nó cần được thay thế bằng cầu chì mới.
- Có thể không phù hợp với các ứng dụng yêu cầu bảo vệ trong môi trường điện áp cực thấp hoặc dòng điện rất thấp.
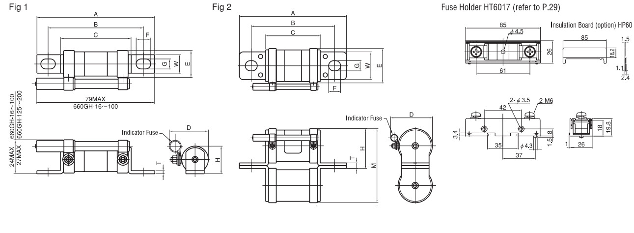
Kích thước Cầu chì HINODE 660GH-350S


Xem thêm những mã cầu chì khác tại đây











Đánh giá
Chưa có đánh giá nào.