1. Giới thiệu
IGBT module 6MBI450U4-120 được thiết kế tích hợp 6 IGBT trong cùng một khối (6 in one). Thiết bị này được sử dụng phổ biến trong các bộ biến tần công nghiệp, bộ nghịch lưu, và hệ thống điều khiển động cơ công suất lớn. Module có khả năng chịu điện áp cao 1200V và dòng định mức lên đến 450A, phù hợp cho các ứng dụng yêu cầu hiệu suất cao và độ tin cậy lớn. Phiên bản “tháo máy” thường là linh kiện đã qua sử dụng, được tháo từ thiết bị công nghiệp còn hoạt động tốt, thích hợp cho mục đích sửa chữa hoặc nghiên cứu.

2. Đặc điểm nổi bật
-
Tích hợp 6 IGBT + diode freewheel trong cùng một module, thuận tiện cho thiết kế mạch 3 pha.
-
Điện áp hoạt động cao, khả năng chịu dòng lớn, hiệu suất chuyển mạch tốt.
-
Thiết kế module dạng chân vít, dễ dàng lắp đặt và tản nhiệt.
-
Độ tin cậy cao, hoạt động ổn định trong môi trường công nghiệp.
-
Giảm tổn hao điện năng và nhiễu điện từ (EMI) nhờ công nghệ chế tạo của Fuji Electric.
-
Dạng module kín, có thể dễ dàng gắn lên tản nhiệt nhôm công suất lớn.
3. Thông số kỹ thuật cơ bản
-
Hãng sản xuất: Fuji Electric
-
Mã sản phẩm: 6MBI450U4-120
-
Cấu trúc: 6 IGBT module (three-phase inverter type)
-
Điện áp Collector–Emitter (Vces): 1200V
-
Dòng Collector (Ic): 450A
-
Điện áp Gate–Emitter (Vge): ±20V
-
Nhiệt độ mối nối tối đa (Tj): 150°C
-
Dòng Collector xung (Icp): khoảng 900A (tùy điều kiện hoạt động)
-
Công suất tổn hao (Ptot): khoảng 3000W (tham khảo theo datasheet)
-
Điện trở nhiệt (Rth(j-c)): ~0.035°C/W
-
Kiểu chân kết nối: dạng vít bắt
-
Kích thước module (ước lượng): 152 × 61 × 17 mm
-
Trọng lượng: khoảng 800 g

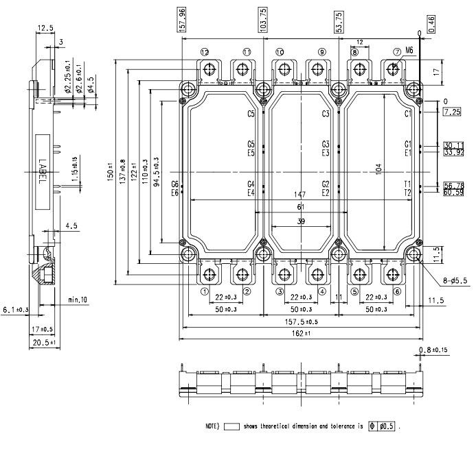
4. Kích thước

5. Ứng dụng
-
Biến tần điều khiển động cơ xoay chiều công suất lớn (AC Motor Drive Inverter).
-
Bộ nghịch lưu cho hệ thống UPS công nghiệp.
-
Hệ thống truyền động điện (servo, thang máy, máy nén khí, máy CNC).
-
Bộ chỉnh lưu và nghịch lưu trong năng lượng tái tạo (solar inverter, wind inverter).
-
Nguồn công suất lớn và thiết bị hàn công nghiệp.
-
Ứng dụng trong hệ thống điều khiển công nghiệp yêu cầu hiệu suất cao, ổn định lâu dài.
Xem thêm :Nhiều sản phẩm IGBT khác tại đây
DATASHEET



Đánh giá
Chưa có đánh giá nào.