Giới thiệu về 6MBP50TEA060-50
6MBP50TEA060-50 là một IGBT module mạnh mẽ và đáng tin cậy, lý tưởng cho các ứng dụng công suất cao trong các hệ thống biến tần, điều khiển động cơ, và năng lượng tái tạo. Với khả năng chịu được 600V và 50A, module này mang lại hiệu suất cao và bảo vệ tốt cho các hệ thống công nghiệp.

Đặc điểm nổi bật
- Loại module: IGBT (Insulated Gate Bipolar Transistor) kết hợp với diode tốc độ cao, thiết kế cho các ứng dụng yêu cầu chuyển mạch nhanh và dòng điện mạnh.
- Điện áp cực đại (Vce): 600V, cho phép sử dụng trong các ứng dụng có điện áp trung bình và cao.
- Dòng điện cực đại (Ic): 50A, thích hợp cho các ứng dụng yêu cầu dòng điện lớn, ví dụ như trong các biến tần và hệ thống điều khiển động cơ.
- Tốc độ chuyển mạch nhanh: Cung cấp khả năng chuyển mạch nhanh, giúp tối ưu hóa hiệu suất và giảm tổn thất năng lượng trong các hệ thống điện.
- Kết cấu module: Được thiết kế dạng module mạnh mẽ, dễ dàng tích hợp vào các ứng dụng công nghiệp.
Thông Số 6MBP50TEA060-50
- Điện áp cực đại (Vce): 600V (Điện áp giữa collector và emitter).
- Dòng điện cực đại (Ic): 50A (Dòng điện tối đa qua collector).
- Điện áp kích (Vge): Khoảng 15V cho cổng gate.
- Dòng điện điều khiển: Module này thường yêu cầu dòng điện điều khiển thấp để hoạt động hiệu quả.
- Tần số chuyển mạch: Thích hợp cho các ứng dụng yêu cầu tần số chuyển mạch cao.
- Nhiệt độ hoạt động: Thường từ -40°C đến +150°C, phù hợp cho môi trường công nghiệp khắc nghiệt.

Cấu Tạo 6MBP50TEA060-50

Ứng dụng 6MBP50TEA060-50
- Biến tần (Inverter): Sử dụng trong các hệ thống biến tần để điều khiển động cơ, từ các hệ thống năng lượng tái tạo đến các ứng dụng công nghiệp.
- Điều khiển động cơ: Phù hợp với các ứng dụng điều khiển động cơ, đặc biệt là các động cơ công suất lớn trong các ngành công nghiệp.
- Các hệ thống điện công nghiệp: Ứng dụng trong các hệ thống điện công nghiệp như hệ thống cung cấp năng lượng ổn định hoặc hệ thống điều khiển tải công suất cao.
- Hệ thống UPS (Uninterruptible Power Supply): Được sử dụng trong các hệ thống UPS để cung cấp nguồn điện dự phòng khi mất điện.
- Năng lượng tái tạo: Cũng có thể được sử dụng trong các hệ thống năng lượng tái tạo, ví dụ như các bộ điều khiển trong các nhà máy điện mặt trời.
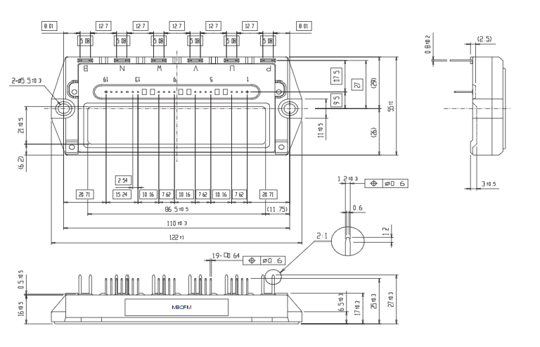
Kích Thước 6MBP50TEA060-50

Xem thêm :Nhiều sản phẩm IGBT khác tại đây



Đánh giá
Chưa có đánh giá nào.