1. Giới thiệu
7MBR35XKD120 là module IGBT công suất loại 7-pack, có điện áp chịu đựng 1200V và dòng định mức 35A. Linh kiện này được sử dụng rộng rãi trong các hệ thống công nghiệp như biến tần, điều khiển động cơ, và bộ nguồn công suất cao. Phiên bản tháo máy thường được tận dụng lại từ các thiết bị công nghiệp cũ, vẫn đảm bảo khả năng hoạt động tốt nếu được kiểm tra kỹ.

2. Đặc điểm nổi bật
-
Cấu trúc 7 IGBT tích hợp trong cùng một khối (7-pack).
-
Điện áp định mức cao (1200V), phù hợp cho các hệ thống trung áp.
-
Dòng định mức 35A, đáp ứng tốt cho tải công suất trung bình.
-
Tổn hao dẫn thấp, hiệu suất chuyển mạch cao.
-
Có diode hồi tiếp (Freewheeling Diode) tích hợp cho từng IGBT.
-
Cách điện tốt giữa mạch công suất và phần đế kim loại (2500 Vrms).
-
Thiết kế module gọn nhẹ, dễ lắp đặt và thay thế.
-
Tản nhiệt hiệu quả qua mặt đế kim loại.
3. Thông số kỹ thuật
-
Mã sản phẩm: 7MBR35XKD120
-
Loại linh kiện: IGBT Module (7-Pack)
-
Điện áp cực đại (Vces): 1200V
-
Dòng điện định mức (Ic): 35A
-
Dòng điện xung cực đại (Icp): 70A
-
Điện áp bão hòa (Vce(sat)): khoảng 1.9V (Ic = 35A, Tj = 25°C)
-
Tần số chuyển mạch: lên đến 20 kHz (tùy ứng dụng)
-
Nhiệt độ mối nối tối đa (Tj): 150°C
-
Điện áp cách ly (Viso): 2500 Vrms/1 phút
-
Điện trở nhiệt (Rth(j-c)): khoảng 1.25°C/W
-
Kiểu tản nhiệt: Tản qua đế kim loại
-
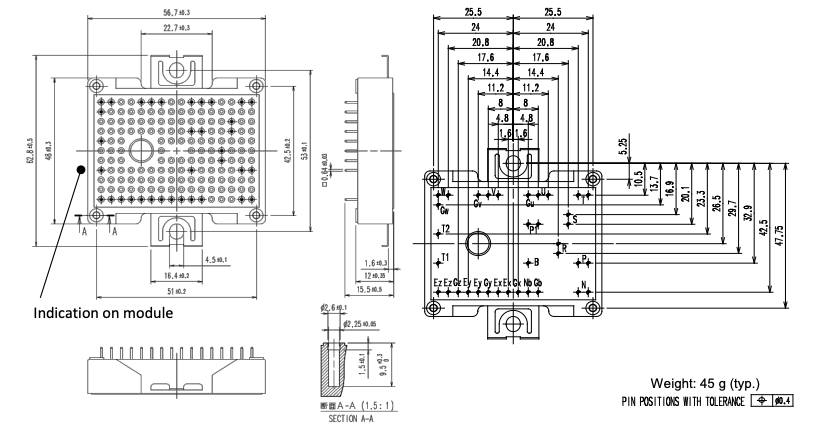
Kích thước: khoảng 110mm × 61mm × 17mm
-
Trọng lượng: xấp xỉ 150g

4. Kích thước

5. Ứng dụng
Module 7MBR35XKD120 thường được sử dụng trong các thiết bị và hệ thống công suất trung bình đến cao như:
-
Bộ biến tần (Inverter) cho động cơ AC ba pha.
-
Bộ điều khiển servo và truyền động động cơ trong máy công nghiệp.
-
Nguồn lưu điện (UPS).
-
Bộ nghịch lưu năng lượng mặt trời (Solar Inverter).
-
Thiết bị hàn điện tử và máy hàn công nghiệp.
-
Hệ thống điều hòa, thang máy, máy nén lạnh.
Xem thêm :Nhiều sản phẩm IGBT khác tại đây


Đánh giá
Chưa có đánh giá nào.