Giới thiệu về L03S400D15WM
L03S400D15WM là cảm biến dòng điện chuyên dụng dựa trên công nghệ Hall-effect, dùng để đo dòng điện AC (xoay chiều) và DC (một chiều). Với khả năng đo dòng điện lên đến ±400A, thiết bị này được thiết kế tối ưu cho các ứng dụng yêu cầu độ chính xác cao và cách ly điện an toàn.

Đặc điểm L03S400D15WM
- Công nghệ Hall hiệu ứng hiện đại
- Sử dụng hiệu ứng Hall để đo từ trường sinh ra bởi dòng điện chạy qua dây dẫn. Điều này giúp cảm biến có độ chính xác cao, đặc biệt khi đo dòng điện lớn.
- Không cần kết nối điện trực tiếp với mạch đo, giảm nguy cơ hư hỏng do dòng điện quá tải.
- Dải đo rộng
- Đo dòng điện ±400A, phù hợp với các ứng dụng công suất cao trong công nghiệp và thương mại.
- Cách ly điện hoàn hảo
- Cảm biến cách ly mạch đo và mạch điện chính, đảm bảo an toàn khi đo lường dòng điện trong các ứng dụng điện áp cao.
- Độ chính xác cao và đáp ứng nhanh
- Sai số thấp (±1% đến ±2%).
- Đáp ứng nhanh với các thay đổi dòng điện, thích hợp cho các hệ thống điều khiển thời gian thực.
- Dễ tích hợp
- Thiết kế nhỏ gọn, dễ dàng lắp đặt vào các mạch điện hoặc hệ thống hiện có.
- Đầu ra dạng tương tự (analog), có thể kết nối trực tiếp với vi điều khiển hoặc mạch chuyển đổi tín hiệu.

Thông số kỹ thuật L03S400D15WM


Ứng dụng L03S400D15WM
Quản lý và giám sát năng lượng
- Lắp đặt trong các tòa nhà thông minh hoặc hệ thống quản lý năng lượng (EMS) để đo dòng điện tiêu thụ.
- Theo dõi và ghi nhận dữ liệu dòng điện trong thời gian thực để tối ưu hóa hiệu quả năng lượng.
2. Thiết bị điện công nghiệp
- Sử dụng trong động cơ điện, máy biến áp hoặc hệ thống phát điện để đo dòng tải.
- Hỗ trợ phát hiện các lỗi như quá tải hoặc mất cân bằng dòng điện.
3. Biến tần và UPS
- Được tích hợp trong các hệ thống biến tần (inverter) hoặc bộ lưu điện (UPS) để đo dòng điện đầu vào và đầu ra.
- Giám sát hiệu suất và bảo vệ thiết bị trong trường hợp dòng điện bất thường.
4. Hệ thống năng lượng tái tạo
- Dùng để đo dòng điện từ các tấm pin mặt trời hoặc tua-bin gió, giúp giám sát sản lượng điện.
- Cách ly điện an toàn với các thiết bị xử lý tín hiệu trong các hệ thống cao áp.
5. Hệ thống tự động hóa và bảo vệ mạch
- Đo dòng trong các mạch điện tự động hóa.
- Kích hoạt cơ chế bảo vệ khi phát hiện dòng quá tải hoặc ngắn mạch.

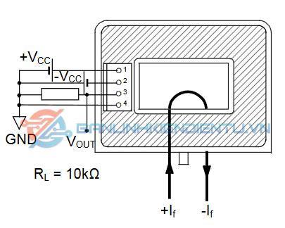
Sơ đồ kết nối điện L03S400D15WM

Hướng dẫn sử dụng L03S400D15WM
- Kết nối cảm biến
- Kết nối nguồn cấp 15V DC ổn định đến chân nguồn của cảm biến (Vcc và GND).
- Dòng điện cần đo sẽ đi qua lỗ dẫn trên cảm biến.
- Đọc tín hiệu đầu ra
- Tín hiệu đầu ra là dạng điện áp tương tự (analog), thường tỷ lệ thuận với dòng điện đi qua.
- Sử dụng vi điều khiển hoặc mạch chuyển đổi ADC để xử lý tín hiệu.
- Hiệu chuẩn (nếu cần)
- Một số trường hợp cần hiệu chỉnh độ tuyến tính hoặc điểm 0 để đạt độ chính xác tối ưu.
- Cách ly nhiễu
- Lắp đặt trong môi trường ít nhiễu từ trường để tránh ảnh hưởng đến phép đo.
- Sử dụng các tụ điện lọc nguồn nếu cần.
Kích thước L03S400D15WM

Xem thêm những cảm biến dòng khác tại đây

Đánh giá
Chưa có đánh giá nào.