Giới thiệu về cầu chì 10A 250V
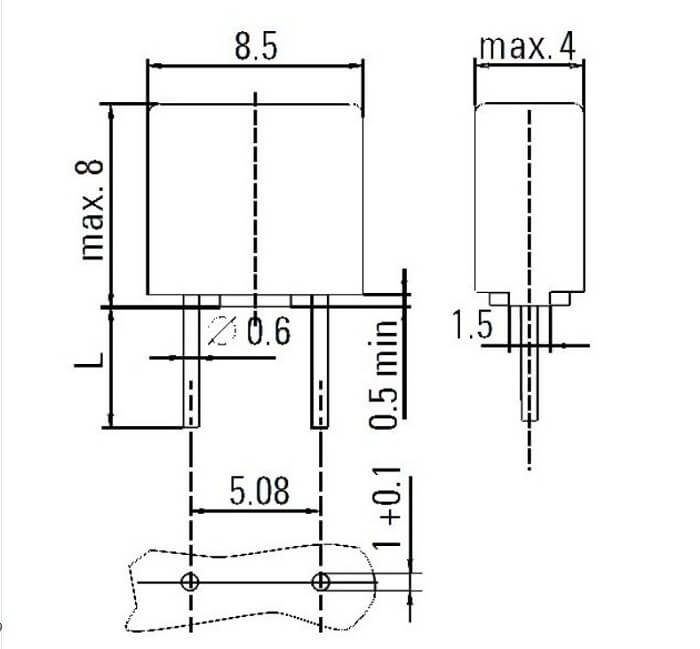
Cầu chì vuông T10A250V là một thành phần bảo vệ mạch điện có khả năng ngắt mạch khi dòng điện vượt quá mức cho phép, bảo vệ các thiết bị khỏi hư hỏng do quá dòng. Với thiết kế kích thước nhỏ gọn 8.5x4mm, cầu chì này thường được sử dụng trong các ứng dụng điện tử và các thiết bị công suất thấp đến trung bình.

Đặc điểm nổi bật cầu chì 10A 250V
- Dòng điện định mức:
Cầu chì có khả năng bảo vệ mạch trong phạm vi 10A, giúp ngắt mạch khi dòng điện vượt quá giá trị này để bảo vệ các thiết bị khỏi quá dòng. - Điện áp làm việc:
Cầu chì có điện áp làm việc tối đa là 250V, làm cho nó phù hợp với các ứng dụng trong môi trường điện áp 250V hoặc thấp hơn. - Kích thước nhỏ gọn:
Với kích thước chỉ 8.5x4mm, cầu chì này phù hợp với các thiết bị điện tử có không gian hạn chế, giúp tiết kiệm diện tích trên bo mạch. - Chất liệu và cấu trúc:
Cầu chì thường được làm từ các vật liệu chịu nhiệt và có khả năng chịu được các dòng điện lớn trong thời gian ngắn mà không bị hỏng hóc, giúp đảm bảo sự an toàn trong quá trình sử dụng.
Thông số kỹ thuật cầu chì 10A 250V
| Thông số | Giá trị |
|---|---|
| Dòng điện định mức | 10A |
| Điện áp làm việc tối đa | 250V |
| Kích thước | 8.5 x 4 mm |
| Kiểu cầu chì | Cầu chì vuông |
| Dạng cầu chì | Chỉ có dây, không có đầu nối |
| Tính năng bảo vệ | Ngắt mạch khi quá dòng |
| Ứng dụng | Bảo vệ mạch điện trong các thiết bị điện tử, nguồn cấp điện |
Ứng dụng cầu chì 10A 250V
- Bảo vệ mạch điện tử:
Cầu chì vuông này thường được sử dụng trong các thiết bị điện tử nhỏ như nguồn cấp điện, máy tính, thiết bị gia dụng, và thiết bị viễn thông để bảo vệ khỏi quá dòng. - Ứng dụng trong các bo mạch:
Với kích thước nhỏ gọn, cầu chì này dễ dàng tích hợp vào các bo mạch điện tử, giúp bảo vệ mạch điện khỏi các sự cố về quá tải dòng điện. - Thiết bị công nghiệp:
Cầu chì này cũng có thể được sử dụng trong các hệ thống công nghiệp yêu cầu bảo vệ mạch điện ở mức dòng điện trung bình, chẳng hạn như trong các bộ điều khiển và thiết bị điều khiển tự động.
Xem thêm nhiều loại cầu chì khác tại đây
Ưu điểm
- Bảo vệ thiết bị: Ngắt mạch khi dòng điện vượt quá giới hạn cho phép, giúp bảo vệ các thiết bị khỏi hư hỏng.
- Kích thước nhỏ gọn: Thích hợp cho các thiết bị có không gian hạn chế.
- Chi phí thấp: Là giải pháp bảo vệ với chi phí hợp lý cho các thiết bị điện tử và công nghiệp.
- Dễ dàng thay thế: Cầu chì dễ dàng thay thế khi hỏng hóc mà không cần thay thế toàn bộ mạch điện.
Kích thước cầu chì 10A 250V



Đánh giá
Chưa có đánh giá nào.