Giới thiệu về CM400DY-12H
CM400DY-12H của Mitsubishi là một sản phẩm lý tưởng cho các ứng dụng công suất lớn, đặc biệt trong các bộ điều khiển động cơ, biến tần và các hệ thống chuyển đổi năng lượng. Với hiệu suất cao, độ bền lâu dài và khả năng chịu tải lớn, mô-đun này sẽ giúp tăng cường hiệu quả và độ tin cậy trong các thiết bị công nghiệp, góp phần nâng cao hiệu suất hoạt động và giảm chi phí bảo trì.

Đặc điểm nổi bật
- Công nghệ IGBT:
- CM400DY-12H là mô-đun IGBT, kết hợp giữa tính năng của transistor hiệu ứng trường (MOSFET) và transistor bipolar (BJT), mang lại hiệu suất cao và khả năng điều khiển dễ dàng trong các ứng dụng công suất lớn.
- Điện áp và dòng điện:
- Điện áp cực đại: 1200V.
- Dòng điện cực đại: 400A, giúp mô-đun có khả năng xử lý các ứng dụng công suất lớn trong môi trường công nghiệp.
- Cấu trúc mô-đun:
- Mô-đun này sử dụng công nghệ hệ thống 3 pha, rất phù hợp để sử dụng trong các bộ điều khiển động cơ và bộ biến tần (inverter).
- CM400DY-12H bao gồm các IGBT và diodes, được tích hợp vào một mô-đun duy nhất giúp giảm kích thước và tăng tính linh hoạt trong thiết kế mạch.
- Tản nhiệt hiệu quả:
- CM400DY-12H được thiết kế để dễ dàng tản nhiệt, một yếu tố quan trọng khi sử dụng trong các ứng dụng công suất lớn và môi trường làm việc khắc nghiệt.
Thông Số CM400DY-12H

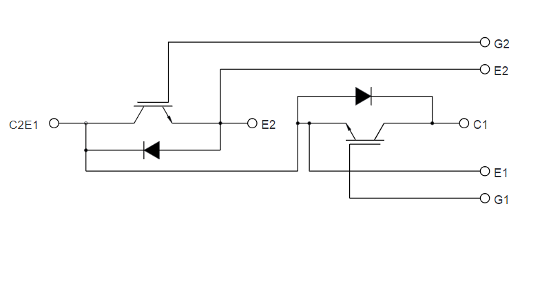
Cấu Tạo CM400DY-12H

Ứng dụng CM400DY-12H
- Biến tần (Inverter):
- CM400DY-12H thường được sử dụng trong các biến tần điều khiển động cơ trong các ứng dụng như hệ thống điều hòa không khí (HVAC), bơm, quạt công nghiệp, và các thiết bị tự động hóa công nghiệp.
- Điều khiển động cơ (Motor Control):
- Mô-đun này có thể điều khiển động cơ trong các ứng dụng như máy công cụ, máy nén khí, và các hệ thống bơm.
- Nguồn điện công suất cao (Power Supply):
- CM400DY-12H có thể được sử dụng trong các ứng dụng nguồn điện công suất cao, như các bộ điều chỉnh điện áp cho các thiết bị công nghiệp hoặc nguồn cấp cho các mạch điện tử.
- Nguồn điện tái tạo và hệ thống năng lượng tái tạo (Renewable Energy):
- Nó có thể sử dụng trong các bộ chuyển đổi DC-AC trong các hệ thống năng lượng mặt trời và gió để chuyển đổi năng lượng từ DC sang AC, phục vụ cho việc truyền tải điện năng hoặc sử dụng tại chỗ.
- Mạch điều khiển và bảo vệ:
- Với công suất cao và độ bền, mô-đun này thường được tích hợp trong các hệ thống điều khiển và bảo vệ của các thiết bị điện công nghiệp.
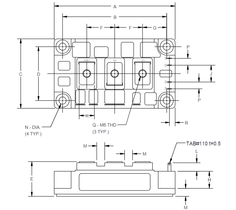
Kích Thước CM400DY-12H

Xem thêm :Nhiều sản phẩm IGBT khác tại đây


Đánh giá
Chưa có đánh giá nào.