Giới thiệu về D10XB80
D10XB80 là một cầu diode dạng phẳng (dẹt) được thiết kế để chỉnh lưu dòng điện xoay chiều (AC) thành dòng điện một chiều (DC). Thiết bị này có thể chịu được dòng điện lớn lên đến 10A và điện áp ngược tối đa 800V, phù hợp cho các ứng dụng công suất vừa và lớn.

Đặc điểm nổi bật D10XB80
- Khả năng chịu tải cao:
- Dòng điện định mức: 10A.
- Điện áp ngược cực đại: 800V.
- Kích thước nhỏ gọn:
- Thiết kế dẹt giúp dễ dàng lắp đặt trong không gian hạn chế.
- Tích hợp sẵn cầu chỉnh lưu:
- Bao gồm 4 diode sắp xếp thành cầu chỉnh lưu hoàn chỉnh, tiết kiệm không gian và linh kiện.
- Tản nhiệt hiệu quả:
- Được thiết kế để tản nhiệt tốt, giúp tăng tuổi thọ trong điều kiện hoạt động lâu dài.
- Độ bền cao:
- Hoạt động ổn định trong dải nhiệt độ rộng, phù hợp với nhiều môi trường khác nhau.
Thông số kỹ thuật chính D10XB80
- Điện áp làm việc:
- Điện áp ngược cực đại (VRRM): 800V.
- Điện áp thuận rơi trên mỗi diode (VF): ~1.1V (ở dòng điện định mức).
- Dòng điện định mức:
- Dòng tải liên tục (IF): 10A.
- Dòng xung cực đại (IFSM): 100A (trong 8.3ms, dạng sóng sin).
- Nhiệt độ hoạt động:
- Từ -40°C đến +150°C.
- Vỏ bọc:
- Loại dẹt (Flat Package), thường có 4 chân (AC, +, -).ư

Cấu hình chân D10XB80
- AC1, AC2: Hai chân đầu vào cho dòng điện xoay chiều (AC).
- + (DC Positive): Đầu ra điện áp một chiều dương.
- – (DC Negative): Đầu ra điện áp một chiều âm.
Ứng dụng D10XB80
- Nguồn cấp AC-DC:
- Dùng trong mạch chỉnh lưu để chuyển đổi dòng điện xoay chiều (AC) thành dòng điện một chiều (DC).
- Bộ sạc pin:
- Cầu diode này thường được sử dụng trong các bộ sạc pin có công suất trung bình.
- Bộ nguồn của thiết bị điện tử:
- Các thiết bị như tivi, amply, bộ khuếch đại âm thanh.
- Thiết bị công nghiệp:
- Dùng trong các mạch điện công suất cho động cơ, thiết bị chiếu sáng, và hệ thống điều khiển.
- Hệ thống năng lượng tái tạo:
- Chỉnh lưu trong các ứng dụng như hệ thống năng lượng mặt trời và gió.
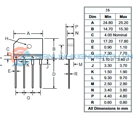
Kích thước D10XB80

Xem thêm: Nhiều sản phẩm Diode khác tại đây



Đánh giá
Chưa có đánh giá nào.