1. Giới thiệu
FF150R17ME3G là module IGBT công suất cao loại dual (half-bridge), có điện áp chịu đựng 1700V và dòng định mức 150A. Module này thường được tìm thấy trong các hệ thống biến tần công nghiệp, nguồn năng lượng tái tạo, bộ nguồn UPS, hoặc bộ điều khiển động cơ công suất lớn.
Phiên bản tháo máy (được lấy ra từ thiết bị cũ) vẫn thường được sử dụng lại trong sửa chữa hoặc tái chế linh kiện, với điều kiện module còn hoạt động tốt và không hư hỏng phần cách điện hoặc mối nối nhiệt.

2. Đặc điểm nổi bật
-
Điện áp chịu đựng cao: 1700V, phù hợp cho hệ thống trung áp.
-
Dòng định mức lớn: 150A, đáp ứng các tải công suất cao.
-
Công nghệ IGBT Trench Field Stop thế hệ 3: giúp giảm tổn hao dẫn và tổn hao chuyển mạch.
-
Tích hợp diode hồi tiếp (Freewheeling Diode) tốc độ cao cho mỗi IGBT.
-
Hiệu suất chuyển mạch cao, tổn hao thấp, dễ điều khiển.
-
Cách điện tốt giữa phần công suất và đế module: 2500 Vrms.
-
Thiết kế chuẩn EconoDUAL™, dễ lắp đặt, thay thế và tản nhiệt.
-
Độ bền cơ học và nhiệt cao, phù hợp với hoạt động công nghiệp liên tục.
3. Thông số kỹ thuật
-
Mã sản phẩm: FF150R17ME3G
-
Loại linh kiện: IGBT Module (Dual / Half-Bridge)
-
Điện áp cực đại (Vces): 1700V
-
Dòng điện định mức (Ic): 150A
-
Dòng điện xung cực đại (Icp): khoảng 300A
-
Điện áp bão hòa (Vce(sat)): khoảng 2.05V (Ic = 150A, Tj = 25°C)
-
Điện áp điều khiển cổng (Vge): ±20V
-
Nhiệt độ mối nối tối đa (Tj): 150°C
-
Điện áp cách ly (Viso): 2500 Vrms / 1 phút
-
Điện trở nhiệt (Rth(j-c)) – IGBT: ≈ 0.15°C/W
-
Điện trở nhiệt (Rth(j-c)) – Diode: ≈ 0.25°C/W
-
Tần số chuyển mạch: 5 – 15 kHz (tùy ứng dụng)
-
Kiểu tản nhiệt: Tản qua đế kim loại (Baseplate)
-
Kích thước module: khoảng 62mm × 108mm × 30mm
-
Trọng lượng: xấp xỉ 170g

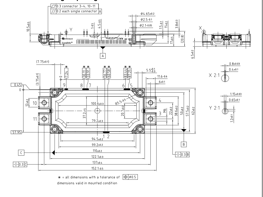
4. Kích thước

5. Ứng dụng
Module FF150R17ME3G (tháo máy) thường được sử dụng trong các thiết bị công suất cao như:
-
Biến tần (Inverter) điều khiển động cơ AC công suất lớn.
-
Nguồn UPS công nghiệp và hệ thống lưu trữ năng lượng.
-
Nguồn năng lượng tái tạo: inverter điện mặt trời hoặc điện gió.
-
Thiết bị hàn công nghiệp và máy gia công cơ khí.
-
Bộ kích từ, bộ điều khiển tốc độ động cơ và hệ thống điện kéo.
-
Máy nén, thang máy, HVAC và thiết bị công nghiệp nặng.
Xem thêm :Nhiều sản phẩm IGBT khác tại đây
DATASHEET

Đánh giá
Chưa có đánh giá nào.