1.Giới thiệu
FF225R17ME4 là module IGBT công suất cao với điện áp chịu đựng 1700V và dòng định mức 225A. Đây là module dạng half-bridge (dual), được thiết kế để sử dụng trong các hệ thống công nghiệp như biến tần, truyền động động cơ, nguồn năng lượng tái tạo, và các ứng dụng công suất lớn khác. Phiên bản tháo máy có nghĩa là module đã được sử dụng trước đó và được tháo ra từ thiết bị cũ nhưng vẫn có thể tái sử dụng nếu còn trong tình trạng tốt.

2. Đặc điểm nổi bật
-
Điện áp chịu đựng lên đến 1700V, phù hợp với các hệ thống trung áp.
-
Dòng định mức 225A, đáp ứng nhu cầu công suất cao.
-
Công nghệ IGBT Trench Field Stop thế hệ 4 giúp giảm tổn hao dẫn và tổn hao chuyển mạch.
-
Tích hợp diode hồi tiếp tốc độ cao giúp tăng hiệu quả vận hành.
-
Thiết kế module chuẩn EconoDUAL™ 4, dễ dàng lắp đặt và tản nhiệt tốt.
-
Độ bền cơ học và nhiệt cao, đảm bảo hoạt động ổn định trong môi trường công nghiệp khắc nghiệt.
-
Điện áp cách điện 2500 Vrms giữa phần công suất và đế module.
3. Thông số kỹ thuật
-
Mã sản phẩm: FF225R17ME4
-
Loại linh kiện: IGBT Module (Dual half-bridge)
-
Điện áp cực đại (Vces): 1700V
-
Dòng điện định mức (Ic): 225A
-
Dòng điện xung cực đại (Icp): ~450A
-
Điện áp bão hòa (Vce(sat)): khoảng 1.8V (Ic = 225A, Tj = 25°C)
-
Điện áp điều khiển cổng (Vge): ±20V
-
Nhiệt độ mối nối tối đa (Tj): 150°C
-
Điện áp cách ly (Viso): 2500 Vrms (1 phút)
-
Điện trở nhiệt IGBT – tản nhiệt (Rth(j-c)): khoảng 0.12°C/W
-
Điện trở nhiệt Diode – tản nhiệt (Rth(j-c)): khoảng 0.20°C/W
-
Kích thước module: khoảng 62mm × 108mm × 30mm
-
Trọng lượng: khoảng 170g

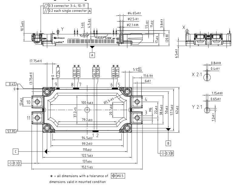
4. Kích thước

5. Ứng dụng
-
Biến tần công nghiệp điều khiển động cơ AC công suất lớn.
-
Nguồn năng lượng tái tạo (inverter điện mặt trời, điện gió).
-
Bộ nguồn UPS công nghiệp và hệ thống lưu trữ năng lượng.
-
Thiết bị hàn công nghiệp và máy gia công cơ khí.
-
Hệ thống điện kéo, thang máy, máy nén công nghiệp.
-
Bộ điều khiển động cơ và các thiết bị công suất lớn khác.
Xem thêm: Nhiều sản phẩm IGBT khác
DATASHEET

Đánh giá
Chưa có đánh giá nào.