Giới thiệu chung
Module FS35R12KT3 là linh kiện công suất cao thuộc dòng EconoPACK™2 . Thiết bị được thiết kế dùng trong các hệ thống công nghiệp như biến tần, nguồn UPS và các mạch công suất lớn. Với điện áp chịu đựng 1200V và dòng công suất trung bình khoảng 35A, module này đáp ứng yêu cầu cao về hiệu năng và độ tin cậy trong môi trường khắc nghiệt.

Đặc điểm nổi bật
• Điện áp cực đại collector-emitter (VCES) lên tới 1200V
• Dòng định mức khoảng 35A
• Thiết kế gói EconoPACK™2 – nhỏ gọn, dễ tích hợp
• Công nghệ IGBT3 trench/field-stop giúp tổn hao thấp và khả năng chuyển mạch nhanh
• Tích hợp diode hiệu suất cao (EmCon High Efficiency diode)
• Tương thích công nghiệp, vận hành bền bỉ trong điều kiện khắc nghiệt
Cấu tạo
• Transistor IGBT công suất theo công nghệ trench/field-stop
• Diode hồi tiếp hiệu suất cao bên trong module
• Vỏ module cách điện, đế kim loại dẫn nhiệt tốt để gắn tản nhiệt
• Chân kết nối công suất dạng bắt vít hoặc module tiêu chuẩn công nghiệp
• Thiết kế busbar và chân nối tối ưu để giảm cảm kháng và nhiễu
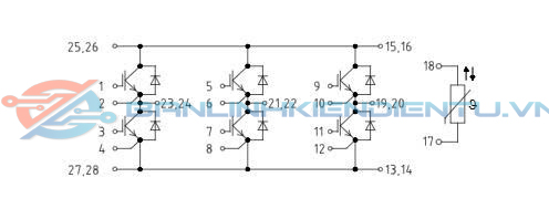
Sơ đồ mạch điện

Thông số kĩ thuật

Kích thước

Ứng dụng
• Biến tần điều khiển động cơ AC trong công nghiệp
• Hệ thống UPS công suất trung bình
• Nguồn công nghiệp, biến đổi năng lượng
• Máy hàn, thiết bị công nghiệp yêu cầu switching hiệu suất cao
• Hệ thống năng lượng tái tạo và điều khiển truyền động
Xem thêm các mã IGBT khác tại đây



Đánh giá
Chưa có đánh giá nào.