1. Giới thiệu
IC SN74HC125 (HC125) là bộ đệm (buffer) bốn kênh có ngõ ra ba trạng thái (3-state output), được sử dụng phổ biến trong các mạch số để cách ly, khuếch đại hoặc điều khiển tín hiệu logic. Mỗi cổng có đầu điều khiển riêng, cho phép bật/tắt ngõ ra độc lập, giúp linh hoạt trong thiết kế hệ thống. Thiết bị hoạt động ở điện áp logic tiêu chuẩn, tốc độ cao và tiêu thụ công suất thấp, rất phù hợp cho các ứng dụng vi điều khiển, truyền dữ liệu và giao tiếp bus.
2. Đặc điểm
-
Gồm 4 cổng đệm (buffer) độc lập, mỗi cổng có ngõ ra 3 trạng thái.
-
Tương thích với chuẩn logic TTL và CMOS.
-
Điều khiển ngõ ra độc lập, dễ dàng cô lập tín hiệu khi không sử dụng.
-
Tốc độ chuyển mạch cao, độ trễ thấp.
-
Dòng tiêu thụ thấp, phù hợp mạch số tốc độ cao.
-
Hoạt động ổn định trong dải điện áp rộng.
-
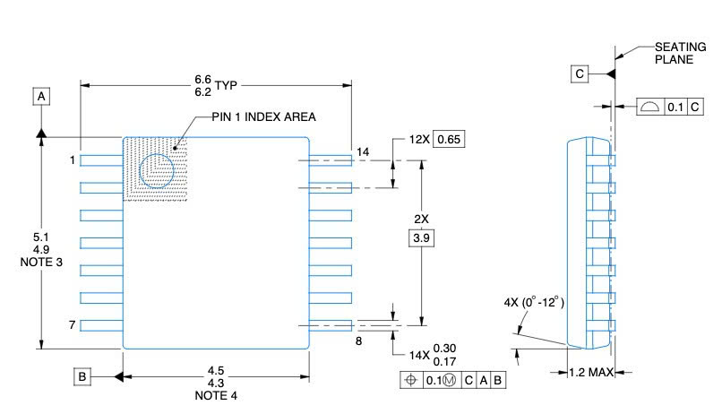
Đóng gói SOP-14 kích thước nhỏ gọn (3.9mm), dễ hàn và lắp ráp.

3. Thông số kỹ thuật

4. Ứng dụng
-
Cách ly hoặc khuếch đại tín hiệu trong mạch logic số, bus dữ liệu, I/O mở rộng.
-
Dùng trong hệ thống vi điều khiển, FPGA, PLC, máy tính nhúng.
-
Ứng dụng trong các mạch giao tiếp, điều khiển công nghiệp, xử lý tín hiệu số.
-
Dùng để chuyển đổi mức tín hiệu logic hoặc bảo vệ đầu ra vi điều khiển.
5. Kích thước

Xem thêm các loại IC khác tại đây



Đánh giá
Chưa có đánh giá nào.