banlinhkiendientu.comlà đơn vị chuyên cung cấp IC SN74HCT573PWR với chất lượng tốt và giá cả hợp lý đảm bảo cung cấp số lượng lớn đáp ứng nhu cầu của mọi khách hàng.

Giới thiệu IC SN74HCT573PWR
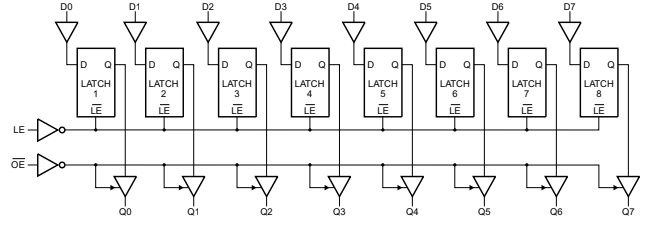
SN74HCT573PW là chốt trong suốt loại D 8 bit với đầu ra 3 trạng thái.
Thiết bị có tính năng đầu vào kích hoạt chốt (LE) và kích hoạt đầu ra (OE).
-
- Khi LE ở mức CAO, dữ liệu ở đầu vào sẽ được chốt. Trong điều kiện này, các chốt trong suốt, đầu ra chốt sẽ thay đổi mỗi khi đầu vào D tương ứng của nó thay đổi.
- Khi LE ở mức THẤP, các chốt sẽ lưu trữ thông tin có ở đầu vào trong thời gian thiết lập trước quá trình chuyển đổi LE từ CAO xuống THẤP. Mức CAO trên OE làm cho các đầu ra ở trạng thái TẮT trở kháng cao.
Hoạt động của đầu vào OE không ảnh hưởng đến trạng thái của chốt. Đầu vào bao gồm điốt kẹp. Điều này cho phép sử dụng dòng điện giới hạn điện trở để giao tiếp đầu vào với điện áp vượt quá VCC. Sản phẩm này đã đạt tiêu chuẩn Q100 (Cấp 1) của Hội đồng Điện tử Ô tô (AEC) và phù hợp để sử dụng trong các ứng dụng ô tô.
Đặc tính IC SN74HCT573PWR
- Chứng nhận thiết bị tự động theo AEC-Q100 (Cấp 1)
- Được chỉ định từ -40 °C đến +85 °C và từ -40 °C đến +125 °C
- Mức đầu vào:
- Đối với 74HC573-Q100: Mức CMOS
- Đối với 74HCT573-Q100: Mức TTL
- Đầu vào và đầu ra ở các mặt đối diện của gói cho phép giao tiếp dễ dàng với bộ vi xử lý
- Hữu ích như cổng đầu vào hoặc đầu ra cho bộ vi xử lý và máy vi tính
- Đầu ra không đảo 3 trạng thái cho các ứng dụng hướng bus
- Đầu vào cho phép đầu ra 3 trạng thái chung
- Nhiều lựa chọn gói
- Bảo vệ ESD:
- MIL-STD-883, phương pháp 3015 vượt quá 2000 V
- HBM JESD22-A114F vượt quá 2 000 V
- MM JESD22-A115-A vượt quá 200 V (C = 200 pF, R = 0 Ω)
- Gói DHVQFN với các mặt bên có thể làm ướt cho phép kiểm tra quang học tự động (AOI) của mối hàn
Sơ đồ các chân IC SN74HCT573PWR

Chức năng các chân

Sơ đồ khối IC SN74HCT573PWR

Sơ đồ Logic IC SN74HCT573PWR

Thông số cơ bản IC SN74HCT573PWR

Kích thước IC SN74HCT573PWR (mm)

Xem thêm nhiều sản phẩm IC số họ 74xxx Tại đây


Đánh giá
Chưa có đánh giá nào.