IC Op Amp NJM2114 là gì?
- NJM2114 là IC Op Amp khuếch đại hoạt động kép có độ nhiễu thấp hiệu suất cao có thể được thay thế trong ứng dụng bằng NJM5532. So với NJM5532, nó có thông số kỹ thuật vượt trội hơn về tốc độ xoay, băng thông và điện áp bù, Hơn nữa, nhiễu và độ méo thiếng thấp hơn nên có thể được sử dụng các thiết bị âm thanh Hi-Fi

Thông số kỹ thuật IC Op Amp NJM2114
- Mã sản phẩm: NJM2114
- Hãng sản xuất: JRC
- Loại linh kiện: IC Op Amp
- Kiểu chân: SOP-8
- Hình thức: Mới

Sơ đồ chân IC Op Amp NJM2114

| 1 | A OUTPUT |
| 2 | A -INPUT |
| 3 | A +INPUT |
| 4 | V- |
| 5 | B +INPUT |
| 6 | B -INPUT |
| 7 | B OUTPUT |
| 8 | V+ |
Sơ đồ cấu tạo 1 phần IC Op Amp NJM2114

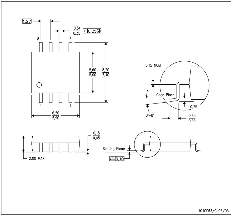
Kích thước IC Op Amp NJM2114

Xem thêm: Các sản phẩm IC Op Amp khác






Đánh giá
Chưa có đánh giá nào.