Giới thiệu về INA128
- INA128 là IC Opamp khuếch đại thiết bị đa năng, công suất thấp mang lại độ chính xác tuyệt đối. IC này được thiết kế 3 Opamp linh hoạt và kích thước nhỏ khiến chúng trở nên lý tưởng cho nhiều ứng dụng. Mạch đầu vào phản hồi dòng điện cung cấp băng thông rộng ngay cả ở mức tăng cao (200kHz tại G = 100).
- Một điện trở bên ngoài duy nhất đặt mức tăng bất kỳ từ 1 đến 10.000.
- INA128 cung cấp phương trình khuếch đại tiêu chuẩn ngành. Nó được cắt bằng laser để có điện áp bù rất thấp (50µV), độ lệch (0,5µV/°C) và khả năng loại bỏ chế độ chung cao (120dB ở G ≥ 100). Nó hoạt động với nguồn điện thấp tới ±2,25V và dòng điện tĩnh chỉ 700µA—lý tưởng cho các hệ thống chạy bằng pin. Bảo vệ đầu vào bên trong có thể chịu được tới ±40V mà không bị hư hại. INA128 có sẵn trong các gói gắn trên bề mặt bằng nhựa DIP và SO-8 8 chân, được chỉ định cho phạm vi nhiệt độ –40°C đến +85°C.

Thông số kỹ thuật INA128
- Điện áp bù thấp: tối đa 50 μV
- Độ trôi thấp: tối đa 0,5 μV / ° C
- Dòng phân cực đầu vào thấp: tối đa 5 nA
- CMR cao: tối thiểu 120 dB
- Đầu vào được bảo vệ đến ± 40 V
- Phạm vi nguồn rộng: ± 2,25 V đến ± 18 V
- Dòng tĩnh thấp: 700 μA
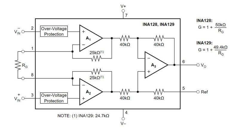
Sơ đồ chân INA128

| Số chân | Tên chân | Mô tả |
| 5 | REF | Đầu vào tham chiếu. Chân này phải được điều khiển bởi trở kháng thấp hoặc được kết nối với ground |
| 1, 8 | RG | Chân cài đặt độ lợi. Đối với độ lợi lớn hơn 1, đặt một điện trở độ lợi giữa chân 1 và chân 8. |
| 4 | V- | Nguồn âm |
| 7 | V+ | Nguồn dương |
| 2 | VIN- | Đầu vào âm |
| 3 | VIN+ | Đầu vào dương |
| 6 | VO | Đầu ra |
Sơ đồ khối chức năng INA128

Ứng dụng của INA128
- Bộ khuếch đại cầu
- Bộ khuếch đại cặp nhiệt điện
- Bộ khuếch đại cảm biến RTD
- Thiết bị y tế
- Thu thập dữ liệu

Xem thêm: Nhiều sản phẩm Opamp khác tại đây
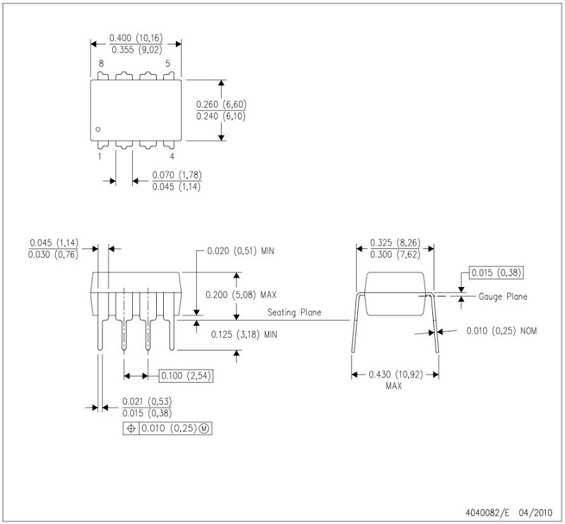
Kích thước INA128





Đánh giá
Chưa có đánh giá nào.