Mô tả IC L6563
Kiểm soát chế độ chuyển tiếp của bộ điều chỉnh trước PFC
Quá điện áp đầu ra có thể điều chỉnh rất chính xác
Chức năng tăng cường theo dõi
Bảo vệ chống lỗi vòng phản hồi (Chốt tắt máy)
Giao diện cho bộ chuyển đổi theo tầng của bộ chuyển đổi xung bộ điều khiển
Chuyển tiếp điện áp đầu vào
Điều khiển BẬT/TẮT từ xa
Điện áp tham chiếu bên trong 1,5% (@ TJ = 25°C)
-600/+800 mA trình điều khiển cổng cực totem với kéo xuống hoạt động trong UVLO

Ứng dụng IC L6563
Bộ chuyển đổi/bộ sạc AC-DC HI-END
Máy tính để bàn, máy chủ, máy chủ WEB
Xem thêm: Các sản phẩm IC chuyên dụng khác
Sơ đồ chân IC L6563

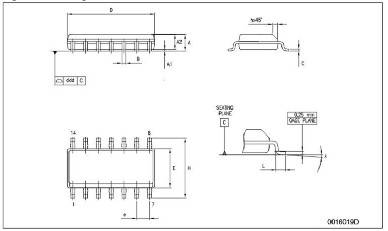
Kich thước IC L6563

Bảng thông số IC L6563








Đánh giá
Chưa có đánh giá nào.