Giới thiệu IC LT1228
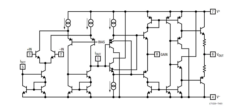
LT1228 là IC Op-Amp giúp chuyển đổi tín hiệu từ tần số DC sang tần số video. LT1228 thực hiện điều khiển khuếch đại bằng bộ khuếch đại truyền dẫn (điện áp đến dòng điện) có mức khuếch đại tỷ lệ thuận với dòng điện được điều khiển bên ngoài. Một điện trở thường được sử dụng để chuyển đổi dòng điện đầu ra thành điện áp, sau đó được khuếch đại bằng bộ khuếch đại phản hồi dòng điện.
LT1228 kết hợp cả hai bộ khuếch đại thành một gói 8 chân và hoạt động trên mọi điện áp nguồn từ 4V (±2V) đến 30V (±15V). Một đầu vào vi sai hoàn chỉnh, bộ khuếch đại điều khiển khuếch đại có thể được triển khai với LT1228 và chỉ một vài điện trở. Bộ khuếch đại chuyển đổi LT1228 có đầu vào vi sai trở kháng cao và đầu ra nguồn với khả năng tuân thủ điện áp đầu ra rộng.

Sơ đồ chân IC LT1228

| Pin No | Pin Name | Description |
| 1 | I OUT | Output Current Pin |
| 2 | INV-IN | Inverting Input Pin |
| 3 | NON-INV-IN | Non-Inverting Input Pin |
| 4 | I SET | Input Offset Current Pin |
| 5 | V- | Negative Voltage Pin |
| 6 | VOUT | Output Voltage Pin |
| 7 | V+ | Positive Voltage Pin |
| 8 | GAIN | Gain Pin |
Sơ đồ mạch cấu tạo IC LT1228

Đặc trưng kỹ thuật IC LT1228
- Phạm vi cung cấp rộng: ±2V đến ±15V
- Đầu vào Chế độ chung trong phạm vi 1,5V của nguồn cung cấp
- Đầu ra dao động trong phạm vi 0,8V của nguồn cung cấp
- Dòng điện cung cấp: 7mA
Xem thêm: Các mã IC Opamp khác tại đây
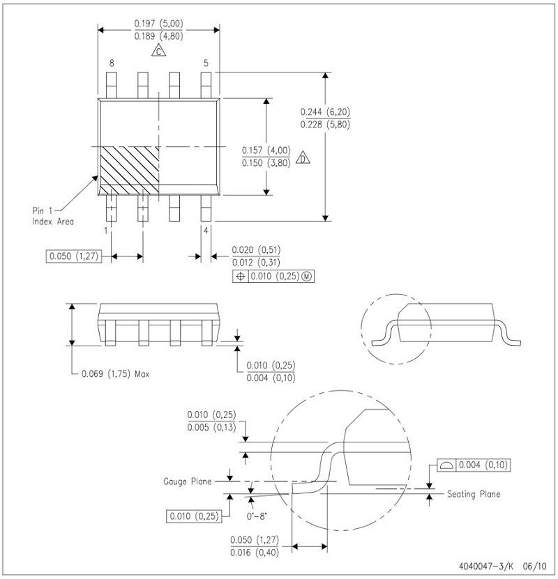
Kích thước IC LT1228

Ứng dụng
- Mạch khôi phục (kẹp) video DC
- Bộ khuếch đại đầu vào vi sai video
- Bộ khuếch đại khóa/Fader video
- Bộ khuếch đại AGC
- Bộ lọc có thể điều chỉnh
- Bộ dao động






Đánh giá
Chưa có đánh giá nào.