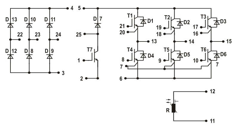
1. Giới thiệu
Module công suất MUBW10-06A6K là linh kiện công nghiệp được sử dụng trong các mạch biến tần, bộ nghịch lưu và hệ thống điều khiển động cơ AC/DC. Sử dụng công nghệ IGBT tích hợp diode hồi tiếp, module mang lại hiệu suất cao, độ ổn định lớn và khả năng chịu dòng tốt. Đây là sản phẩm tháo máy, thích hợp cho nhu cầu thay thế, sửa chữa hoặc nghiên cứu kỹ thuật.

2. Đặc điểm
-
Tích hợp IGBT công suất và diode hồi tiếp trong cùng một khối.
-
Điện áp chịu đựng tới 600V, phù hợp với các ứng dụng công suất trung bình.
-
Dòng định mức 10A, kích thước nhỏ gọn, hiệu suất nhiệt cao.
-
Cấu trúc module cầu ba pha giúp lắp đặt nhanh chóng và vận hành ổn định.
-
Có cảm biến nhiệt NTC tích hợp giúp giám sát nhiệt độ và bảo vệ linh kiện.

3. Thông số kỹ thuật

4. Ứng dụng
-
Bộ nghịch lưu (inverter) và điều khiển động cơ ba pha.
-
Thiết bị phanh điện, nguồn công suất và mạch điều khiển tốc độ.
-
Dùng trong thiết bị công nghiệp, máy CNC, robot và bộ nguồn chuyển đổi.
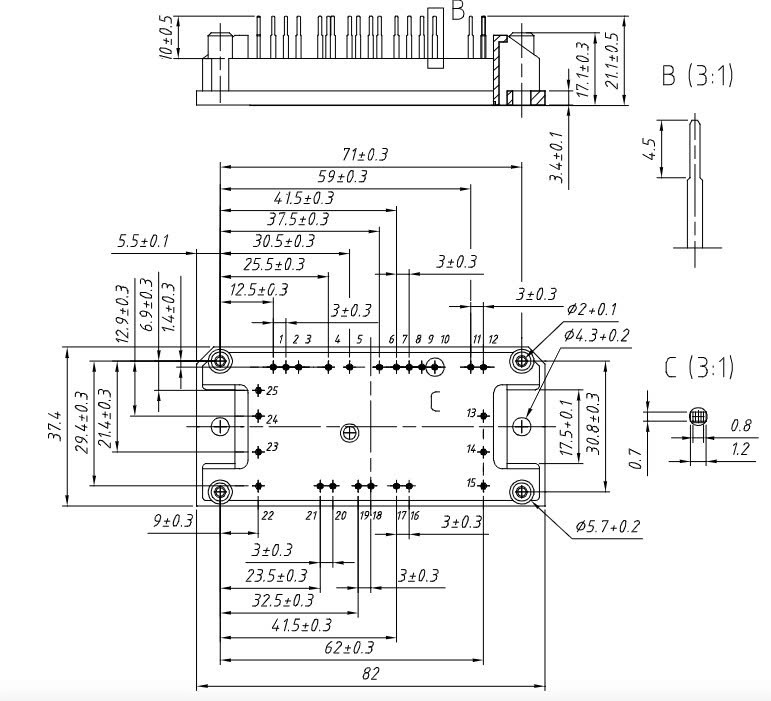
5. Kích thước

Xem thêm :Nhiều sản phẩm IGBT khác tại đây


Đánh giá
Chưa có đánh giá nào.