Giới thiệu dòng IC MR2940
MR2940 có các mô-đun IC dòng được thiết kế cho cả đầu vào 200V và đầu vào tự động cảm biến với chức năng chuyển đổi chế độ nổ ở tải vi mô. Các mô-đun này thuộc loại cộng hưởng một phần và bao gồm một thiết bị chuyển mạch được tối ưu hóa cho cả đầu vào nguồn điện 200V và cảm biến tự động, cũng như một IC điều khiển. Chúng được thiết kế để cung cấp các đặc tính cung cấp điện.


Sơ đồ khối chức năng MR2940
Sơ đồ cấu tạo MR2940
Chứa năng chân MR2940
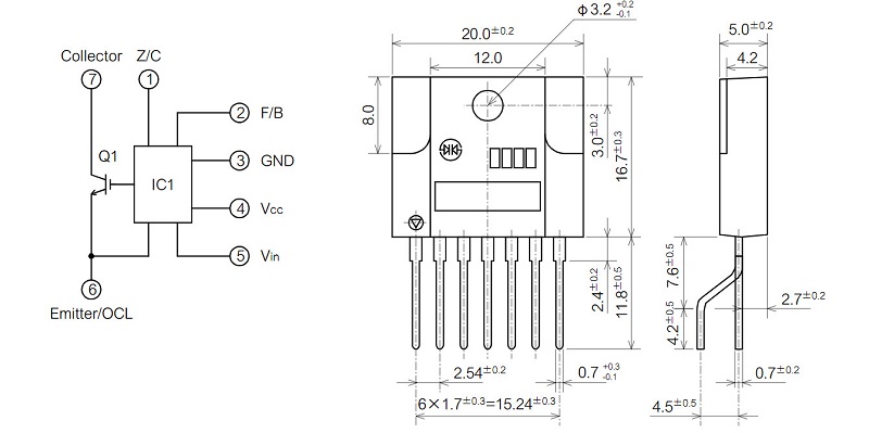
Kích thước MR2940

Ứng dụng MR2940
- TV, màn hình, máy in, VTR, DVD, STB, máy điều hòa, tủ lạnh và các thiết bị điện khác, thiết bị văn phòng
Xem thêm: Nhiều sản phẩm IC nguồn khác tại đây






Đánh giá
Chưa có đánh giá nào.