Giới thiệu về IC NJM3403A
NJM3403A là bộ khuếch đại hoạt động bốn cảm biến mặt đất hiệu suất cao, có tốc độ quay cao và không bị biến dạng chéo. Nó là phiên bản cải tiến của NJM2902.

Đặc trưng của NJM3403A
- Nguồn cung duy nhất
- Điện áp Hoạt động: +4V~+36V
- Dòng điện hoạt động thấp: 3mA
- Tốc độ quay: 1,2V/μs
- Công nghệ lưỡng cực
Sơ đồ chân IC NJM3403A

Thông số kỹ thuật IC NJM3403A
Mã sản phẩm: NJM3403A
Loại linh kiện: IC Opmap
Kiểu chân: TSSOP-14
Hình thức: Mới

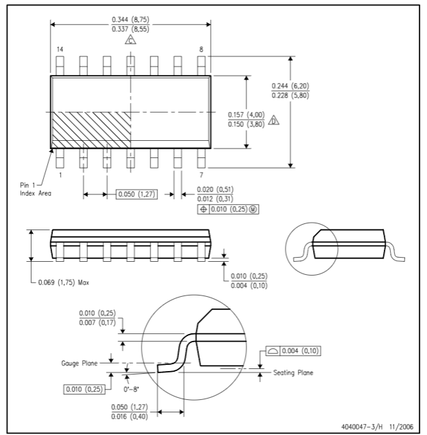
Kích thước của NJM3403A

Xem thêm: Nhiều sản phẩm Opamp Tại đây






Đánh giá
Chưa có đánh giá nào.