Giới thiệu về STP11NM80
STP11NM80 là một MOSFET kênh N được thiết kế để xử lý các ứng dụng yêu cầu điện áp cao và dòng điện vừa phải. Đây là một thiết bị hiệu quả và đáng tin cậy, phù hợp cho các mạch công suất cao và các hệ thống điện công nghiệp. Với khả năng chịu đựng điện áp 800V và dòng điện 11A, nó là một lựa chọn tuyệt vời cho các mạch nguồn công suất cao, điều khiển động cơ, và các ứng dụng yêu cầu hiệu suất tốt và độ tin cậy cao.
Đặc trưng kỹ thuật
- Điện áp Drain-Source (Vds): 800V
- Đây là điện áp tối đa giữa chân drain và chân source mà MOSFET có thể chịu đựng. Với điện áp 800V, 2SK1573 phù hợp cho các ứng dụng yêu cầu điện áp cao như các bộ nguồn chuyển đổi, biến tần, và các mạch công suất trong hệ thống điện công nghiệp.
- Dòng điện Drain (Id): 11A
- MOSFET này có khả năng dẫn dòng điện liên tục lên tới 11A, làm cho nó phù hợp cho các ứng dụng yêu cầu dòng điện vừa phải như điều khiển động cơ, mạch nguồn điện công suất vừa phải, và các ứng dụng công nghiệp khác.
- Điện trở dẫn (Rds(on)): Thấp, thường vào khoảng 0.3Ω (ở Vgs = 10V)
- Đây là điện trở giữa chân drain và chân source khi MOSFET đang dẫn điện. Điện trở dẫn thấp giúp giảm thiểu tổn thất năng lượng trong quá trình hoạt động và cải thiện hiệu suất tổng thể của hệ thống.
- Điện áp Gate-Source (Vgs): ±30V
- Đây là điện áp tối đa giữa chân gate và chân source mà MOSFET có thể chịu đựng, đảm bảo MOSFET có thể hoạt động an toàn trong các điều kiện biến động điện áp mà không bị hỏng hóc.
- Công suất tiêu tán (Ptot): Khoảng 60W
- Đây là công suất tối đa mà MOSFET có thể tiêu tán mà không bị quá nhiệt khi hoạt động liên tục. Với công suất tiêu tán 60W, STP11NM80 có thể hoạt động ổn định trong các điều kiện tải nặng.
Thông số kỹ thuật

Sơ đồ cấu tạo

Ứng dụng
- Nguồn cung cấp năng lượng: STP11NM80 thường được sử dụng trong các bộ nguồn công suất cao, đặc biệt là trong các bộ chuyển đổi DC-DC và AC-DC, nơi cần điều khiển dòng điện và điện áp hiệu quả.
- Điều khiển động cơ: Với khả năng dẫn dòng 11A, MOSFET này phù hợp cho các ứng dụng điều khiển động cơ trong các hệ thống tự động hóa và thiết bị công nghiệp.
- Biến tần và mạch công suất: MOSFET này thường được sử dụng trong các ứng dụng biến tần và mạch công suất yêu cầu hiệu suất cao và độ tin cậy.
- Hệ thống điện công nghiệp: STP11NM80 thích hợp cho các ứng dụng trong hệ thống điện công nghiệp, nơi yêu cầu kiểm soát dòng điện và điện áp với độ tin cậy cao.
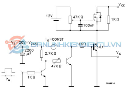
Mạch thử nghiệm điện tích cổng Mạch thử nghiệm chuyển mạch tải cảm ứng và thời gian phục hồi diode
Kích thước STP11NM80

Xem thêm: Các mã Mosfet khác





Đánh giá
Chưa có đánh giá nào.