1. Giới thiệu
PGH100N8 là module thyristor công suất cao được sử dụng để điều khiển và chuyển mạch dòng điện trong các hệ thống công nghiệp. Thiết bị có khả năng chịu dòng lớn và điện áp cao, hoạt động ổn định, phù hợp cho các ứng dụng yêu cầu điều khiển công suất, chỉnh lưu, biến tần hoặc điều tốc động cơ. Sản phẩm dạng tháo máy được sử dụng phổ biến trong sửa chữa và thay thế linh kiện công nghiệp.

2. Đặc điểm
-
Cấu trúc module chắc chắn, kích thước gọn, dễ dàng lắp đặt và thay thế.
-
Chịu được dòng điện định mức lên đến 100A và điện áp ngược tối đa 800V.
-
Hiệu suất dẫn điện cao, tổn hao thấp, tản nhiệt hiệu quả khi lắp trên đế tản nhiệt.
-
Cách điện tốt giữa phần công suất và đế module, an toàn trong vận hành.
-
Độ tin cậy cao, tuổi thọ dài, thích hợp cho các ứng dụng công suất lớn và môi trường công nghiệp nặng.
-
Là dạng module tháo máy, vẫn đảm bảo hiệu năng nếu còn trong tình trạng tốt.
3. Thông số kỹ thuật
-
Loại linh kiện: Module Thyristor (SCR)
-
Mã sản phẩm: PGH100N8
-
Dòng điện định mức: 100A
-
Điện áp chịu ngược tối đa: 800V
-
Cấu trúc: 1 Thyristor đơn trong vỏ module tiêu chuẩn
-
Điện áp sụt khi dẫn: khoảng 1.2 – 1.5V tại dòng định mức
-
Nhiệt độ làm việc: -40°C đến +150°C
-
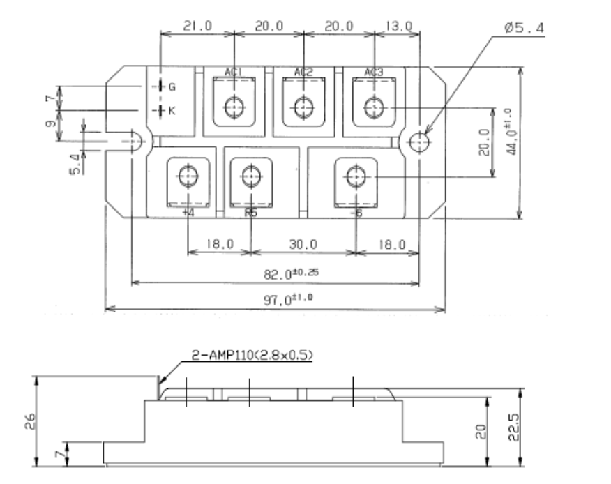
Kích thước module: khoảng 97 × 44 × 22.5 mm (chuẩn E68)
-
Kiểu lắp đặt: Bắt vít lên đế tản nhiệt, cần sử dụng keo dẫn nhiệt
-
Dòng xung chịu đựng (Ifsm): khoảng 1000A trong thời gian ngắn

4. Kích thước

5. Ứng dụng
PGH100N8 được sử dụng trong các hệ thống điều khiển công suất như bộ chỉnh lưu điều khiển, bộ biến tần, mạch điều tốc động cơ, thiết bị hàn điện, lò nung cảm ứng và các bộ nguồn công nghiệp. Module này cũng được ứng dụng trong các hệ thống tự động hóa, điều khiển tải lớn, hoặc dùng làm linh kiện thay thế trong thiết bị công nghiệp cần độ bền và ổn định cao.
DATASHEET

Đánh giá
Chưa có đánh giá nào.