Giới thiệu PSS20S71F6
PSS20S71F6 là một mô-đun công suất dạng Thyristor (SCR) hoặc Triac, thường được sử dụng trong các ứng dụng liên quan đến điều khiển và chuyển đổi dòng điện xoay chiều (AC). Các mô-đun loại này được thiết kế để hoạt động ở dòng điện và điện áp cao, phù hợp với các hệ thống công nghiệp.

Đặc điểm nổi bật PSS20S71F6
- Khả năng chuyển mạch nhanh:
- Đáp ứng nhanh chóng trong các ứng dụng yêu cầu chuyển đổi tức thời.
- Độ bền cao:
- Có thể hoạt động ổn định trong môi trường công nghiệp khắc nghiệt.
- Thiết kế nhỏ gọn:
- Dễ dàng tích hợp vào các mạch công suất.
- Tản nhiệt tốt:
- Được thiết kế với bề mặt phẳng, dễ dàng gắn vào tản nhiệt để tăng khả năng làm mát.
Bảng thông số PSS20S71F6

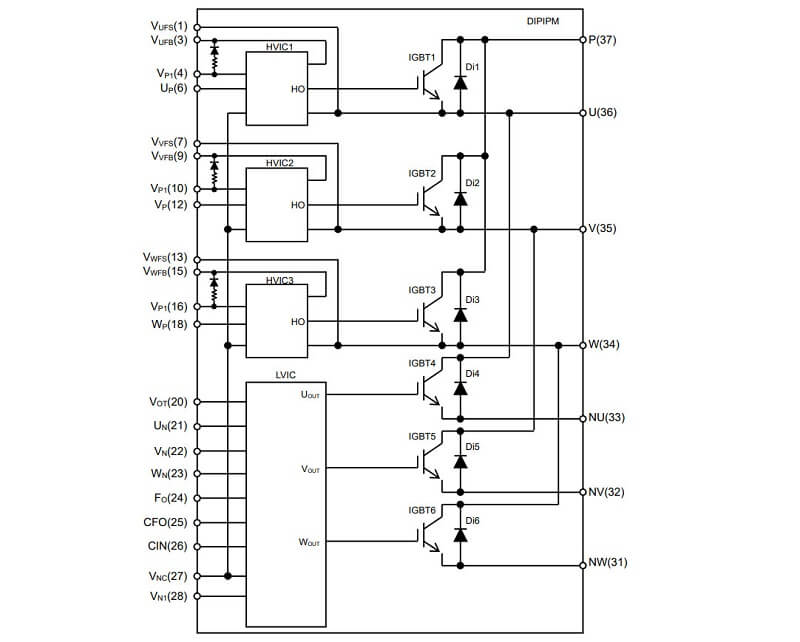
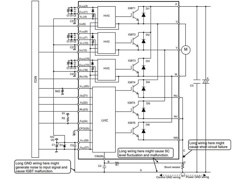
Cấu tạo PSS20S71F6

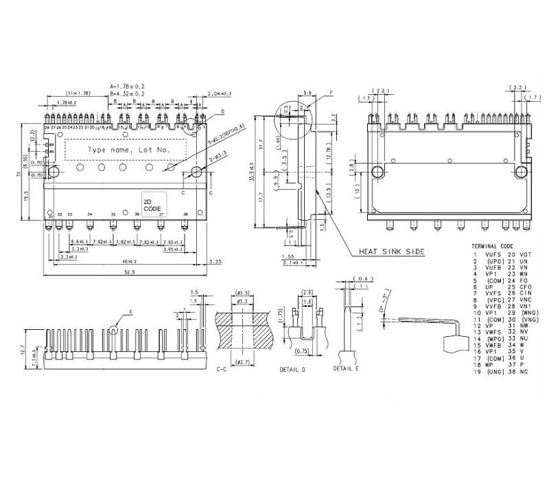
Kích thước PSS20S71F6

Ứng dụng PSS20S71F6
- Điều khiển pha trong mạch AC:
- Dùng để kiểm soát góc pha, điều chỉnh điện áp hoặc công suất.
- Chỉnh lưu và điều chỉnh dòng điện:
- Ứng dụng trong mạch chỉnh lưu điều khiển được (Controlled Rectifier).
- Điều khiển động cơ:
- Được dùng trong các bộ điều tốc động cơ AC hoặc DC.
- Thiết bị gia dụng và công nghiệp:
- Các thiết bị điều chỉnh nhiệt độ, ánh sáng, và công suất tải lớn.
- Hệ thống công suất cao:
- Dùng trong UPS, biến tần và hệ thống phân phối điện.

Xem thêm :Nhiều sản phẩm IGBT khác tại đây


Đánh giá
Chưa có đánh giá nào.