1. Giới thiệu
IC SN74HC138N là mạch giải mã 3 sang 8 (3-to-8 Line Decoder/Demultiplexer), thuộc họ logic CMOS tốc độ cao. Thiết bị có khả năng chuyển đổi tín hiệu đầu vào 3 bit thành 8 ngõ ra độc lập, giúp mở rộng các kênh điều khiển hoặc lựa chọn dữ liệu trong hệ thống số. IC được đóng gói dạng DIP-16, dễ dàng sử dụng trên breadboard hoặc mạch in thông thường.

2. Đặc điểm
-
Chức năng giải mã 3-to-8, cho phép lựa chọn 1 trong 8 ngõ ra dựa trên 3 bit đầu vào.
-
Tích hợp ngõ cho phép (Enable) linh hoạt, giúp dễ dàng điều khiển hoặc ghép tầng với các mạch khác.
-
Hoạt động với điện áp logic 2V đến 6V, tương thích với nhiều hệ thống kỹ thuật số.
-
Tốc độ chuyển mạch cao, tiêu thụ năng lượng thấp, độ tin cậy cao.
-
Đóng gói DIP-16, phù hợp cho ứng dụng giáo dục, thử nghiệm và sản xuất.
3. Thông số kỹ thuật

| Thông số | Giá trị / Mô tả |
|---|---|
| Mã linh kiện | SN74HC138N |
| Loại linh kiện | 3-to-8 Line Decoder / Demultiplexer |
| Số đầu vào | 3 |
| Số đầu ra | 8 |
| Điện áp hoạt động | 2V – 6V |
| Dòng đầu ra tối đa | ±4 mA |
| Nhiệt độ hoạt động | -40°C đến +85°C |
| Thời gian trễ lan truyền | ~20 ns (tại 5V) |
| Dạng đóng gói | DIP-16 |
4. Ứng dụng
-
Giải mã địa chỉ trong bộ nhớ hoặc thiết bị ngoại vi.
-
Chuyển mạch điều khiển LED, relay hoặc các ngõ ra số khác.
-
Mạch chọn tín hiệu (Demultiplexer) trong hệ thống vi xử lý.
-
Hệ thống điều khiển tự động, mạch logic số và thiết bị học tập.
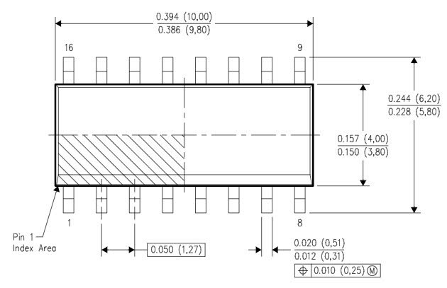
5. Kích thước

Xem thêm các loại IC khác tại đây


Đánh giá
Chưa có đánh giá nào.