Giới thiệu chung
TA8429H là IC điều khiển động cơ cầu H (Full Bridge Driver) do Toshiba sản xuất. Linh kiện được thiết kế chuyên dụng cho các ứng dụng điều khiển động cơ DC chổi than, cho phép điều chỉnh cả chiều quay và tốc độ động cơ. TA8429H có khả năng cung cấp dòng tải lên tới 3A, tích hợp sẵn các mạch bảo vệ, giúp mạch hoạt động ổn định và an toàn.

Đặc điểm
• Cầu H tích hợp hoàn chỉnh, điều khiển được cả hai chiều quay của động cơ DC.
• Hỗ trợ điều khiển tốc độ động cơ bằng xung PWM.
• Dòng ra tối đa 3A, phù hợp với động cơ công suất trung bình.
• Có mạch bảo vệ quá nhiệt (Thermal Shutdown) và bảo vệ ngắn mạch đầu ra.
• Chức năng Standby giúp giảm tiêu thụ điện năng khi không hoạt động.
• Tương thích mức tín hiệu điều khiển TTL, dễ dàng kết nối với vi điều khiển.
• Hiệu suất cao, tổn hao công suất thấp, hoạt động ổn định.
Cấu tạo
• Bên trong gồm hai cặp transistor công suất tạo thành cầu H toàn phần.
• Tích hợp mạch điều khiển logic, mạch bảo vệ quá dòng và quá nhiệt.
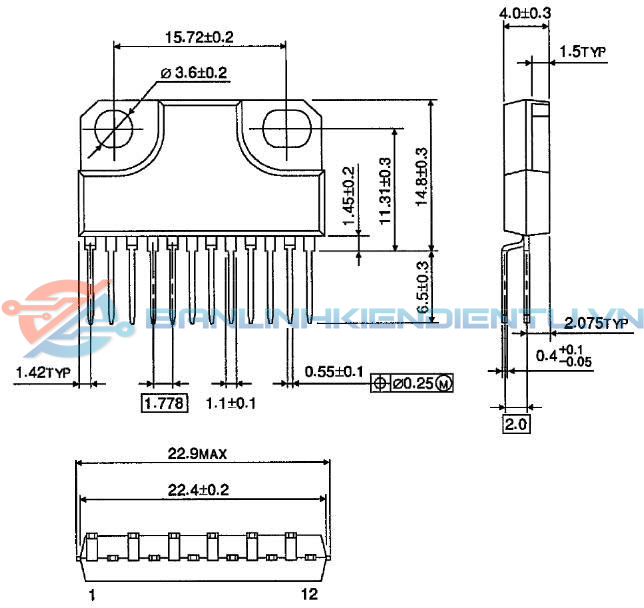
• Được thiết kế trong vỏ HZIP-12, có miếng kim loại tản nhiệt phía sau giúp IC làm việc ổn định ở dòng lớn.
• Chân cắm dạng xuyên lỗ, dễ hàn, có thể gắn thêm tản nhiệt nhôm để nâng cao khả năng tản nhiệt.
Sơ đồ chân

Thông số kỹ thuật

Kích thước

Ứng dụng
• Điều khiển động cơ DC trong robot, xe mô hình, thiết bị tự động.
• Hệ thống cơ điện tử, cơ cấu truyền động, cửa tự động.
• Mạch điều khiển động cơ hai chiều có điều chỉnh tốc độ PWM.
• Các ứng dụng cần IC cầu H công suất trung bình, hoạt động ổn định và bền bỉ.



Đánh giá
Chưa có đánh giá nào.