Mô tả IC nguồn TNY176PN
- Chi phí hệ thống thấp nhất với tính linh hoạt nâng cao
- MOSFET tích hợp định mức 650 V
- Điều khiển BẬT/TẮT đơn giản, không cần bù vòng lặp
- Có thể lựa chọn giới hạn dòng điện thông qua giá trị tụ BP/M
- Giới hạn dòng điện cao hơn sẽ mở rộng công suất đỉnh hoặc ở khung mở ứng dụng, công suất liên tục tối đa
- Giới hạn dòng điện thấp hơn giúp cải thiện hiệu quả trong các bộ chuyển đổi kèm theo/ bộ sạc
- Cho phép lựa chọn TinySwitch-LT tối ưu bằng cách hoán đổi các thiết bị không có thiết kế lại mạch khác
- Dung sai tham số I2f chặt chẽ giúp giảm chi phí hệ thống
- Tối đa hóa việc cung cấp năng lượng từ tính và MOSFET
- Giảm thiểu công suất quá tải tối đa, giảm chi phí máy biến áp, kẹp chính và các thành phần phụ
- Mở rộng thời gian BẬT – mở rộng phạm vi điều chỉnh đường dây thấp/thời gian duy trì để giảm điện dung số lượng lớn đầu vào
- Tự phân cực: không có cuộn dây phân cực hoặc các thành phần phân cực
- Biến động tần số làm giảm chi phí bộ lọc EMI
- Pin-out đơn giản hóa việc tản nhiệt vào PCB
- Chân SOURCE yên tĩnh về điện cho EMI thấp Các tính năng an toàn và tin cậy nâng cao
- Bảo vệ tắt nhiệt độ kích động chính xác bằng tính năng tự động phục hồi loại bỏ nhu cầu thiết lập lại thủ công
- Tự động khởi động lại cung cấp <3% công suất tối đa khi đoản mạch và điều kiện lỗi vòng hở
- Tắt quá áp đầu ra với Zener tùy chọn
- Số lượng thành phần rất thấp nâng cao độ tin cậy và cho phép bố trí bảng mạch in
- Đường dây mở rộng giữa DRAIN và tất cả các chân khác giúp cải thiện trường
- Độ tin cậy EcoSmart™ – Cực kỳ tiết kiệm năng lượng
- Dễ dàng đáp ứng mọi quy định về hiệu quả năng lượng toàn cầu
- Không tải <150 mW ở 265 VAC không có cuộn dây phân cực,
- <50 mW với cuộn dây phân cực
- Điều khiển BẬT/TẮT mang lại hiệu suất ổn định cho đến tải rất nhẹ – lý tưởng cho các quy định tiêu thụ dự phòng bắt buộc
Ứng dụng IC nguồn TNY176PN
Vật tư cho các thiết bị, tự động hóa tòa nhà, chế độ chờ PC và nguồn điện phụ trợ khác.
Xem thêm: Nhiều sản phẩm IC nguồn khác tại đây
Mạch ứng dụng IC TNY176PN

Sơ đồ chân IC TNY176PN

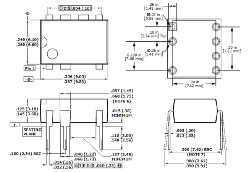
Kích thước IC TNY176PN

Bảng thông số TNY176PN




Đánh giá
Chưa có đánh giá nào.