Giới thiệu TNY274PN
TNY274PN là IC nguồn xung thuộc dòng TinySwitch-II, đóng gói DIP-8. IC này tích hợp MOSFET công suất, mạch dao động, bảo vệ và điều khiển trong cùng một chip, chuyên dùng cho mạch nguồn AC-DC công suất thấp (thường dưới 10W) với thiết kế nhỏ gọn, hiệu suất cao.

Mô tả TNY274PN
- Điều khiển BẬT/TẮT đơn giản, không cần bù vòng lặp
- Có thể lựa chọn giới hạn dòng điện thông qua giá trị tụ BP/M – Giới hạn dòng điện cao hơn sẽ mở rộng công suất cực đại hoặc khi mở ứng dụng khung, công suất liên tục tối đa – Giới hạn dòng điện thấp hơn cải thiện hiệu quả trong điều kiện kèm theo bộ chuyển đổi/bộ sạc – Cho phép lựa chọn TinySwitch-III tối ưu bằng cách hoán đổi thiết bị không có thiết kế lại mạch khác
- Chặt I2 Dung sai tham số f giúp giảm chi phí hệ thống – Tối đa hóa việc cung cấp năng lượng MOSFET và từ tính – Giảm thiểu công suất quá tải tối đa, giảm chi phí máy biến áp, kẹp sơ cấp và các bộ phận thứ cấp
- Mở rộng thời gian BẬT – mở rộng phạm vi điều chỉnh đường dây thấp/ thời gian giữ để giảm điện dung số lượng lớn đầu vào
- Tự phân cực: không có cuộn dây phân cực hoặc các thành phần phân cực
- Biến động tần số làm giảm chi phí bộ lọc EMI
- Pin-out đơn giản hóa việc tản nhiệt cho PCB
- Chân SOURCE yên tĩnh về điện cho EMI thấp
Sơ đồ chân IC TNY274PN

Thông số kỹ thuật IC TNY274PN

Mạch ứng dụng của IC TNY274PN

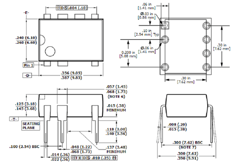
Kích thước của TNY274PN

Xem thêm: Nhiều sản phẩm IC nguồn khác tại đây



Đánh giá
Chưa có đánh giá nào.