Giới thiệu về FQD20N06
FQD20N06 là một transistor MOSFET n-channel, thiết kế để cung cấp hiệu suất cao trong các ứng dụng công suất và chuyển mạch. Đây là một linh kiện phổ biến nhờ vào khả năng xử lý điện áp và dòng điện lớn, cùng với hiệu suất chuyển mạch tốt.

Đặc trưng kỹ thuật
- Loại MOSFET: N-channel
- Điện áp tối đa (V_DS): 60V
- Dòng điện tối đa (I_D): 20A
- Điện trở kênh (R_DS(on)): Khoảng 0.04 ohm (ở V_GS = 10V)
- Điện áp điều khiển tối thiểu (V_GS(th)): Khoảng 2-4V
- Công suất tiêu tán tối đa (P_D): Khoảng 94W
- Khả năng chuyển mạch hiệu quả: Với điện trở kênh thấp và khả năng chuyển mạch nhanh, FQD20N06 giúp giảm tổn thất công suất và nâng cao hiệu suất của mạch.
- Khả năng chịu nhiệt tốt: Có thể hoạt động ổn định ở nhiệt độ cao, đảm bảo độ tin cậy trong các ứng dụng công suất cao.
- Hiệu suất cao: Được thiết kế để tối ưu hóa hiệu suất chuyển mạch với tổn thất công suất thấp.
Thông số kỹ thuật

Sơ đồ cấu tạo

Ứng dụng
- Chuyển mạch công suất: Thích hợp cho các mạch chuyển mạch công suất cao nhờ vào khả năng chịu đựng điện áp và dòng điện lớn.
- Bộ nguồn: Phù hợp cho các bộ nguồn công suất và các ứng dụng cần điều chỉnh điện áp hiệu quả.
- Điều khiển động cơ: Tốt cho các ứng dụng điều khiển động cơ, nơi cần chuyển mạch nhanh và hiệu suất cao.


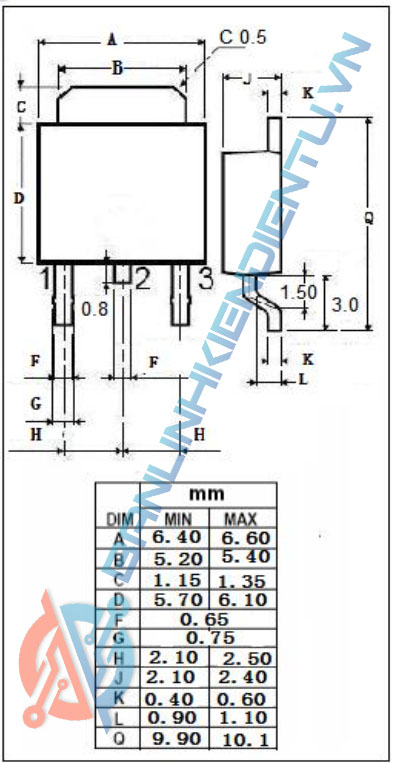
Kích thước FQD20N06

Xem thêm: Các mã Mosfet khác








Đánh giá
Chưa có đánh giá nào.