Mô tả
- Chỉ định loại: SPB20N60S5
- Mã đánh dấu: 20N60S5
- Loại Transistor: MOSFET
- Loại kênh điều khiển: N -Channel
- Tản điện tối đa (Pd): 208 W
- Điện áp nguồn xả tối đa |Vds|: 600 V
- Điện áp nguồn cổng tối đa |Vgs|: 20 V
- Điện áp ngưỡng cổng tối đa |Vgs(th)|: 5,5 V
- Dòng xả tối đa |Id|: 20 A
- Nhiệt độ tiếp giáp tối đa (Tj): 150 °C
- Tổng phí cổng (Qg): 79 nC
- Thời gian tăng (tr): 25 nS
- Điện dung nguồn thoát nước (Cd): 1170 pF
- Điện trở trạng thái nguồn thoát tối đa (Rds): 0,19 Ohm
- Đóng gói: TO263
Đặc trưng
- Với bao bì TO-263( D2PAK )
- Chuyển đổi tốc độ cao
- Điện trở đầu vào cổng thấp
- Ổ đĩa cổng cấp tiêu chuẩn
- Dễ sử dụng
- Đã kiểm tra tuyết lở 100%
- Các biến thể từ Lot-to-Lot tối thiểu cho thiết bị mạnh mẽ hiệu suất và hoạt động đáng tin cậy
Xem thêm: Các sản phẩm Mosfet khác
Hình ảnh sản phẩm

Thông số kỹ thuật của Mosfet SPB20N60S5

Sơ đồ chân

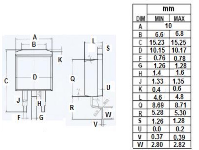
Kích thước của Mosfet SPB20N60S5





Đánh giá
Chưa có đánh giá nào.