Module công suất IGBT 39GA12T4V1 150A 1200V tháo máy
1. Giới thiệu
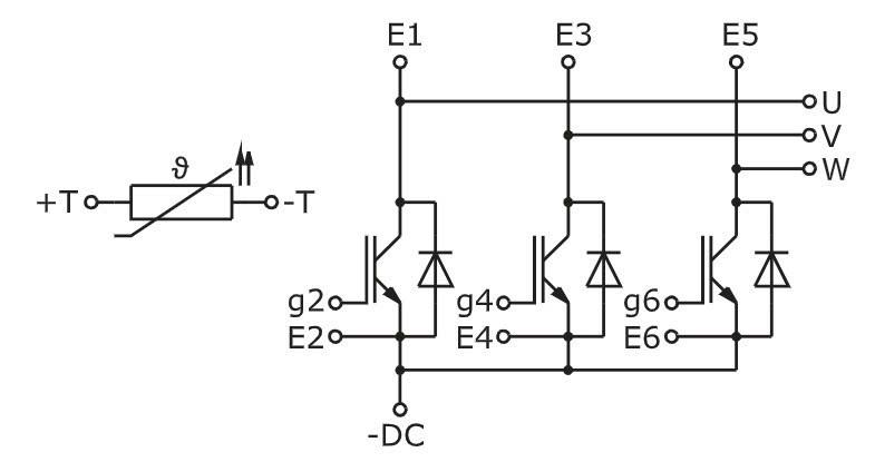
Module công suất 39GA12T4V1 là linh kiện công suất cao, được sử dụng trong các hệ thống biến tần, bộ điều khiển động cơ và nguồn công nghiệp. Module tích hợp transistor IGBT và diode hồi tiếp trong cùng một khối, giúp nâng cao hiệu suất, giảm tổn hao và đảm bảo hoạt động ổn định trong điều kiện tải nặng. Sản phẩm được tháo máy, còn nguyên bản, phù hợp cho mục đích sửa chữa, thay thế hoặc nghiên cứu kỹ thuật.

2. Đặc điểm
-
Cấu trúc module MiniSKiiP® tích hợp IGBT và diode hồi tiếp công nghệ CAL.
-
Dòng định mức cao 150A, điện áp chịu được tới 1200V, phù hợp cho ứng dụng công suất lớn.
-
Thiết kế chân kết nối dạng press-fit hoặc bắt vít, dễ lắp đặt và bảo trì.
-
Tản nhiệt tốt nhờ đế module tối ưu hóa cho môi trường công nghiệp.
-
Độ tin cậy cao, vận hành ổn định trong thời gian dài.

3. Thông số kỹ thuật

4. Ứng dụng
-
Biến tần và bộ điều khiển động cơ công nghiệp.
-
Bộ nghịch lưu, UPS và nguồn công suất cao.
-
Hệ thống servo, robot, máy CNC và thiết bị tự động hóa.
-
Inverter năng lượng tái tạo, truyền động công nghiệp.
5. Kích thước

Xem thêm :Nhiều sản phẩm IGBT khác tại đây


Đánh giá
Chưa có đánh giá nào.