1. Giới thiệu
IC nguồn 3A161H chính hãng Sanken DIP-8 mới là vi mạch điều khiển nguồn xung tích hợp MOSFET công suất, được thiết kế cho các mạch nguồn AC-DC đầu vào trực tiếp 220V. Sản phẩm hoạt động ổn định, hiệu suất cao và phù hợp cho các thiết bị điện tử dân dụng, công nghiệp nhỏ, giúp giảm thiểu linh kiện ngoại vi và tối ưu kích thước mạch.

2. Đặc điểm
-
Tích hợp mạch PWM điều khiển và MOSFET công suất trong cùng một chip.
-
Hiệu suất chuyển mạch cao, tổn hao năng lượng thấp.
-
Có tính năng bảo vệ quá dòng, quá áp và quá nhiệt.
-
Hoạt động ổn định với nguồn điện lưới 85–265VAC.
-
Thiết kế dạng DIP-8 dễ dàng lắp đặt, thay thế và hàn trên bo mạch.
3. Thông số kỹ thuật

4. Ứng dụng
-
Nguồn xung AC-DC đầu vào 220V.
-
Bộ sạc, adaptor, và thiết bị điện tử dân dụng.
-
Hệ thống điều khiển và nguồn phụ trong thiết bị công nghiệp.
-
Thay thế cho các IC nguồn PWM tương đương như 3A162A, STR-A6159, KA5Q1265.
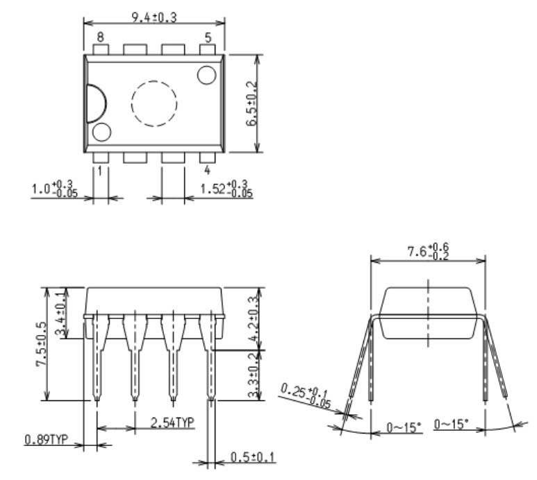
5. Kích thước

Xem thêm: Nhiều sản phẩm IC chuyên dụng khác


Đánh giá
Chưa có đánh giá nào.