Opto tốc độ cao 6N135 là gì?
- 6N135 là bộ ghép quang tốc độ cao đơn kênh dựa trên hai điốt quang và một đầu ra bóng bán dẫn. Nó hoạt động bằng cách cung cấp một lá chắn cách điện giữa một bên đầu vào và một bên đầu ra. So với các bộ tách quang thông thường như 4N24, MOC2031, 6N135 cung cấp tốc độ truyền bit tốc độ rất cao do điện áp phân cực riêng biệt của photodiode và đầu cực thu gốc của bóng bán dẫn.
- Một điện áp riêng biệt được cung cấp cho cực cơ sở của bóng bán dẫn thông qua một điốt quang. Điện áp phân cực riêng biệt cho đầu cuối cực cơ sở làm giảm điện dung giữa đầu cực và cuối cực.
- Do đó, nó giúp tăng tốc độ hoạt động lên hàng trăm lần so với các thiết bị làm mờ quang học thông thường. Một tương đương khác của optocoupler này là 6N136. Nó có thể được sử dụng để cách ly điện giữa hai mạch thông qua tín hiệu quang giữa một bên đầu vào và một bên đầu ra. Tín hiệu tần số hoạt động tối đa lên đến 2MHz.

Các tính năng của Opto 6N135
Một số tính năng tốt nhất của 6N135 được liệt kê dưới đây:
- Nó có thể chịu được điện áp cách ly lên đến 5.500 Vrms volt.
- Điện áp xu hướng bên ngoài cho bóng bán dẫn tăng tốc độ hoạt động lên đến 2MHz
- 6N135 hỗ trợ băng thông 2MHz
- Tín hiệu chuyển đổi giữa đầu vào và đầu ra có thể cao tới 1Mbits / giây.
- Nó tương thích với các mạch CMOS và TTL. Có nghĩa là hai bên đầu vào hoặc đầu ra có thể là TTL hoặc CMOS hoặc cả hai đều có thể dựa trên TTL / CMOS.
- Nó có sẵn trong các gói SMD-8 và DIP-8.

Thông số kỹ thuật của Opto 6N135
- Điện áp ngược tối đa 5V và dòng thuận 25mA cho điốt quang đầu vào
- IR Photodiode tiêu tán công suất tối đa 45mW
- Điện áp cung cấp: 15V
- Điện áp đầu ra: 15V
- Điện áp cơ sở phát qua chân Vcc: 5V
- Dòng đầu ra tối đa và bình thường lần lượt là 8mA và 16mA.
- Công suất đầu ra tiêu tán = 100mW

Sơ đồ chân của Opto 6N135
Sơ đồ chân của Opto 6N135 được hiển thị ở đây. Nó có 8 chân nhưng hai chân không được sử dụng. Chi tiết và chức năng của tất cả các chân được liệt kê trong phần tiếp theo.

Chi tiết cấu hình chân của Opto 6N135
| Số Pin | Tên Pin | Chức năng |
| 1 | NC | Chân này không được sử dụng – Không có kết nối |
| 2 | Anode (A) | Đầu cực cực dương của điốt quang hồng ngoại – Kết nối với đầu vào logic cao |
| 3 | Cathode(C) | Cực âm cực của diode IR – Thường kết nối với đất |
| 4 | NC | Chân này không được sử dụng – Không có kết nối |
| 5 | Emitter (Ground) | Đầu cực phát của bóng bán dẫn – Kết nối với đầu cuối nối đất của mạch phía đầu ra |
| 6 | Collector (Vo) | Đầu cực thu của bóng bán dẫn- Kết nối tải cách ly qua chân này |
| 7 | Base (VB) | Đầu cuối cơ sở của bóng bán dẫn – Kéo điện trở lên qua chân Vcc và theo mặc định tín hiệu cao logic |
| 8 | VCC | Đầu cuối cơ sở của bóng bán dẫn – Kéo điện trở lên qua chân Vcc và theo mặc định tín hiệu cao logic |
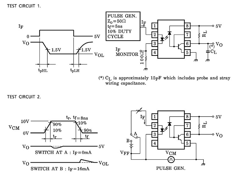
Mạch Test của Opto 6N135

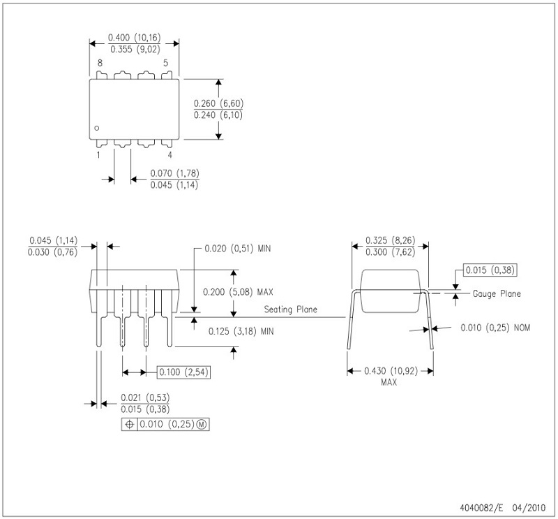
Kích thước của Opto 6N135

Các ứng dụng của Opto 6N135
Các ứng dụng quan trọng nhất của optocoupler 6N135 đã được liệt kê dưới đây:
- Cách ly tín hiệu điện tử tốc độ cao
- Mạch cách ly điện áp cao
- Mạch truyền video luôn yêu cầu truyền tín hiệu băng thông lớn giữa thiết bị điều khiển và thiết bị điện áp cao
- Ứng dụng trình điều khiển động cơ để cách ly mạch điều khiển khỏi mạch điều khiển động cơ công suất cao
- Điều hòa tín hiệu đường dây điện áp cao
- Bộ nguồn ở chế độ chuyển mạch để phản hồi điện áp cao tới bộ điều khiển PID
- Cách ly nối đất giữa các thiết bị TTL và CMOS
- Nó có thể được sử dụng để thay thế các máy biến áp xung đắt tiền
- Cách ly tín hiệu mặt đất Digital và Analog.
Xem thêm: Nhiều sản phẩm Opto khác tại đây


Đánh giá
Chưa có đánh giá nào.