banlinhkiendientu.com là đơn vị chuyên cung cấp IC 74HC112A với chất lượng tốt và giá cả hợp lý đảm bảo cung cấp số lượng lớn đáp ứng nhu cầu của mọi khách hàng.

Giới thiệu IC 74HC112A
74HC112; 74HCT112 là một flip-flop JK được kích hoạt bằng cạnh âm kép.
Nó có các đầu vào J và K riêng biệt, đầu vào xung nhịp (nCP), thiết lập (nSD) và đặt lại (nRD). Nó cũng có các đầu ra nQ và nQ bổ sung. Thiết lập và đặt lại là các đầu vào THẤP hoạt động không đồng bộ và hoạt động độc lập với đầu vào xung nhịp. Các đầu vào J và K điều khiển các thay đổi trạng thái của các flip-flop như được mô tả trong bảng chức năng chọn chế độ. Các đầu vào J và K phải ổn định một thời gian thiết lập trước khi chuyển đổi xung nhịp CAO sang THẤP để hoạt động có thể dự đoán được.
Các đầu vào bao gồm các diode kẹp cho phép sử dụng các điện trở giới hạn dòng điện để giao diện đầu vào với điện áp vượt quá VCC. Hoạt động kích hoạt Schmitt trong đầu vào xung nhịp làm cho mạch có khả năng chịu đựng cao đối với thời gian tăng và giảm xung nhịp chậm hơn.
Đặc tính IC 74HC112A
- Mức đầu vào:
- Đối với 74HC112: Mức CMOS
- Đối với 74HCT112: Mức TTL
- Thiết lập và đặt lại không đồng bộ
- Được chỉ định tuân thủ tiêu chuẩn JEDEC số 7A
- Bảo vệ ESD:
- HBM JESD22-A114F vượt quá 2000 V
- MM JESD22-A115-A vượt quá 200 V
- Dải nhiệt độ được xác định từ -40°C đến +85°C và từ -40°C đến +125°C
Sơ đồ khối IC 74HC112A

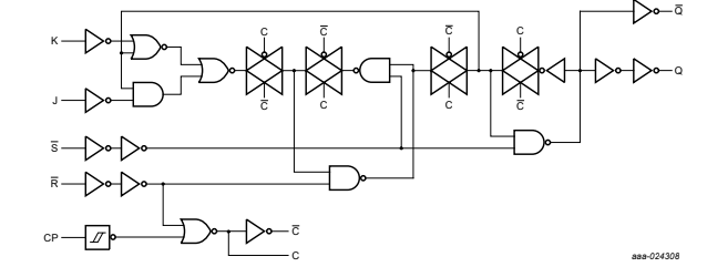
Sơ đồ Logic IC 74HC112A (1 nhịp Flip-Flop)

Sơ đồ mô tả chân IC 74HC112A

Bảng mô tả chân IC 74HC112A

Bảng mô tả chức năng IC 74HC112A

Thông số kĩ thuật cơ bản IC 74HC112A

Giá trị được đề suất của IC 74HC112A (phạm vi hoạt động)

Kích thước IC 74HC112A (mm)

Xem thêm nhiều sản phẩm IC số họ 74xxx Tại đây


Đánh giá
Chưa có đánh giá nào.