Giới thiệu IC AD8001
- AD8001 là bộ khuếch đại tốc độ cao, công suất thấp được thiết kế để hoạt động với nguồn cung cấp ±5V. AD8001 có mạch tuyến tính hóa truyền trở kháng độc đáo. Điều này cho phép nó điều khiển tải video với mức tăng chênh lệch và hiệu suất pha tuyệt vời chỉ với công suất 50 mW.
- AD8001 là Op-Amp có đặc điểm đạt được độ phẳng từ 0,1dB đến 100 MHz trong khi cung cấp mức tăng chênh lệch và sai số pha là 0,01% và 0,025°. Điều này làm cho AD8001 trở nên lý tưởng cho các thiết bị điện tử video chuyên nghiệp như máy ảnh và bộ chuyển đổi video. Ngoài ra, độ méo thấp và khả năng xử lý nhanh của AD8001 khiến nó trở nên lý tưởng cho các bộ chuyển đổi A-to-D.
- AD8001 cung cấp công suất thấp tối đa 5,5mA (VS = ±5 V) và có thể chạy trên một nguồn điện +12V duy nhất, đồng thời có khả năng cung cấp dòng tải trên 70mA. Những tính năng này làm cho bộ khuếch đại này trở nên lý tưởng cho các ứng dụng di động và chạy bằng pin, nơi kích thước và công suất là rất quan trọng.
- Băng thông vượt trội 800MHz cùng với tốc độ xoay 1200 V/µs giúp AD8001 trở nên hữu ích trong nhiều ứng dụng tốc độ cao cho mục đích chung, trong đó cần có nguồn điện kép lên đến ±6 V và nguồn điện đơn từ 6V đến 12V.

Sơ đồ chân IC AD8001

Thông số kỹ thuật IC AD8001
- Mã sản phẩm: AD8001
- Loại linh kiện: Op-Amp
- Kiểu chân: SOP-8
- Nguồn: 12.6V
- Dòng đầu ra: 70mA
- Công suất: 50mW
AD8001
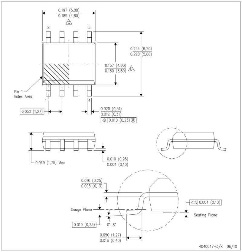
Kích thước IC AD8001

Ứng dụng
- Trình điều khiển A-to-D
- Trình điều khiển dòng video
- Máy Ảnh Chuyên Nghiệp
- Máy thu RF
Xem thêm: Các mã IC Opamp khác tại đây







Đánh giá
Chưa có đánh giá nào.