1. Giới thiệu
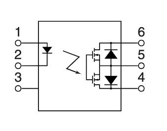
AQV210EH là một rơ-le bán dẫn PhotoMOS thuộc dòng DIP-6 của Panasonic, sử dụng công nghệ quang bán dẫn để điều khiển đóng/ngắt mạch điện. Linh kiện này có khả năng cách ly quang học giữa mạch điều khiển và mạch tải, đảm bảo an toàn điện và chống nhiễu tốt. AQV210EH có điện áp chịu đựng cao, dòng rò thấp và tuổi thọ dài, phù hợp cho các ứng dụng yêu cầu độ tin cậy cao.

2. Đặc điểm
- Công nghệ PhotoMOS cho khả năng đóng/ngắt nhanh, không tiếp điểm cơ khí.
- Cách ly quang học giữa mạch điều khiển và mạch tải.
- Điện áp tải tối đa 400V, dòng tải tối đa 120mA.
- Độ rò thấp khi ở trạng thái tắt, hạn chế thất thoát điện.
- Dạng vỏ DIP-6 tiêu chuẩn, dễ lắp đặt và thay thế.
- Độ bền cơ học và tuổi thọ cao, không bị mài mòn tiếp điểm.

3. Thông số kỹ thuật

4. Ứng dụng
- Hệ thống đo lường và điều khiển công nghiệp.
- Thiết bị y tế yêu cầu cách ly điện.
- Mạch đóng/ngắt tín hiệu điện áp cao nhưng dòng thấp.
- Mạch chuyển mạch tín hiệu trong viễn thông.
- Điều khiển mạch điện tử nhạy cảm với nhiễu.
5. Kích thước

Xem thêm: Nhiều sản phẩm IC nguồn khác tại đây



Đánh giá
Chưa có đánh giá nào.